EasyManua.ls Logo

EFLOW EF-Series - Page 43

Default Icon
98 pages
Print Icon
To Next Page IconTo Next Page
To Next Page IconTo Next Page
To Previous Page IconTo Previous Page
To Previous Page IconTo Previous Page
Loading...
EF-Series Instruction Manual
Rev 2/01 2-19
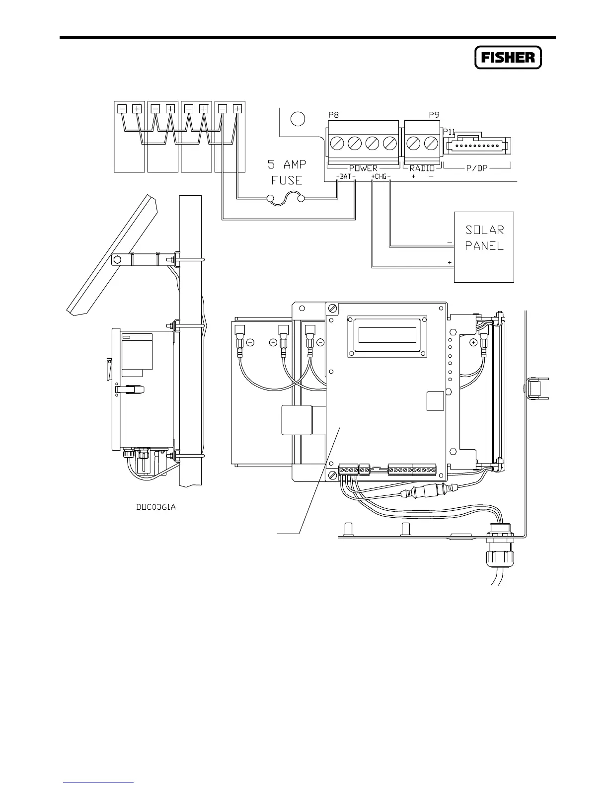
Figure 2-4. Battery and Solar Panel Connections
Swing-out Panel

Table of Contents