EasyManua.ls Logo

Eikon E3 - Page 51

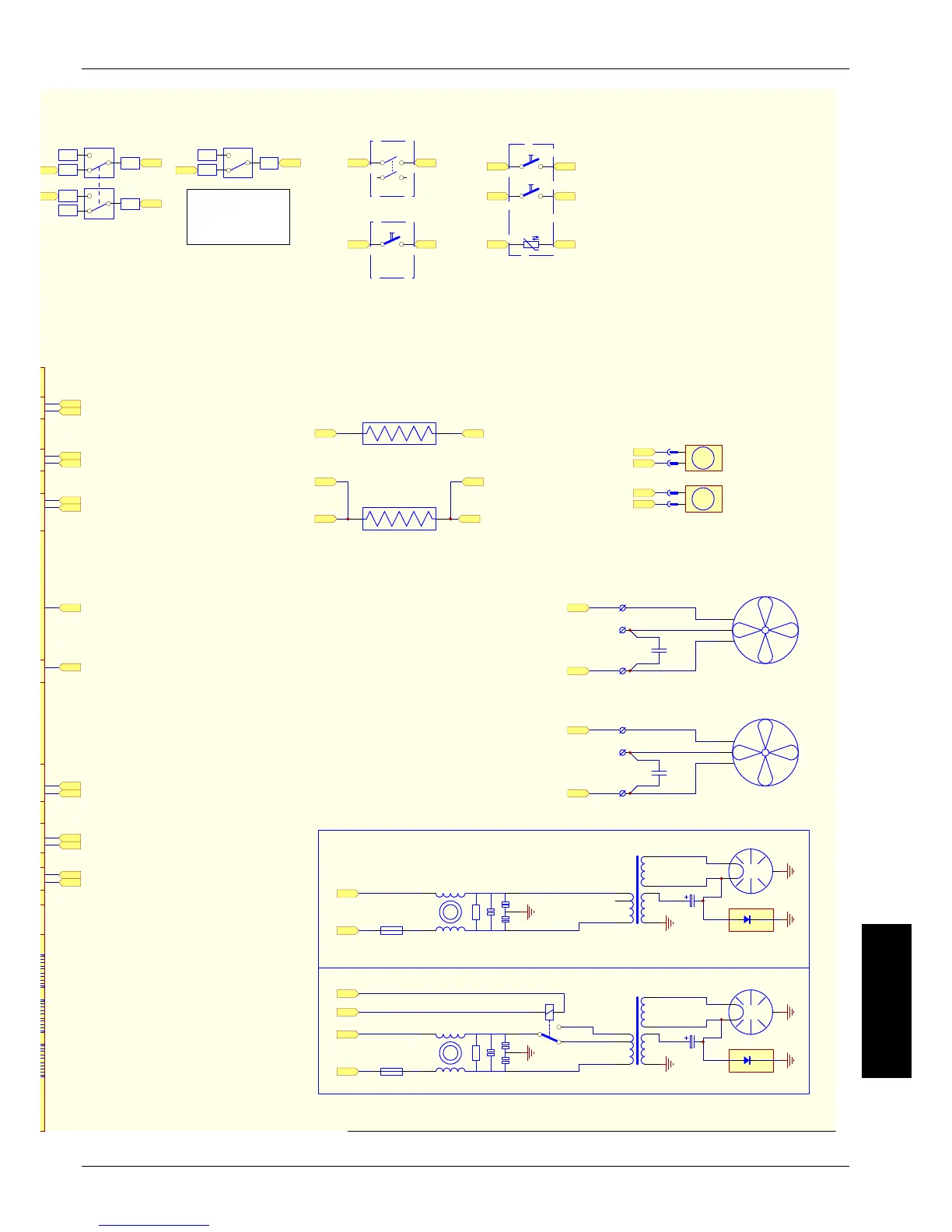
Eikon E3
60 pages
Print Icon
To Next Page IconTo Next Page
To Next Page IconTo Next Page
To Previous Page IconTo Previous Page
To Previous Page IconTo Previous Page
Loading...
Service & Parts Manual original Instructions
Part Number 32Z3812 US
Issue 1
51
1 2 3 4 5 6 7 8
A
B
C
D
87654321
D
C
B
A
1 14
e3 XX / XE series
e3xx 7
23-Aug-2010
C:\Users\ha\ELREHA\Projects\Manitowoc\Merrychef eikon ovens\Wiringloom\wireingloom - Copy.ddb - Documents\e3 XE-XX.Sch
Title:
Size:
PCB No.:
Date:
File:
Drawing No.:
Sheet of
A2
ELREHA
Elektronische Regelungen GmbH
Drawn by:
H.Wirth
Heater Supply
M.W. Supply
Neutral In
Interblock
Switch
Connector
24VAC
Supply
On/Off
Air filter
Overheat Cavity
Heater Supply Out
MW1
Voltage selection relay MW 1
Neutral MW1
Interlock Switches
Temperature Input
P/C - Bus
C - Bus
P - Bus
RJ-45
RJ-12
RJ-11
13
24
18
19
21
20
22
23
45
25
26
10
29
44
51
52
62
63
M
Stirrer motor
60
61
M
Turntable
69
70
71
72
Overheat MW1
+
-
Safety Relay Heater
Safety-relay.Sch
X2.1
Triac 16A output
Triac-output.Sch
X2.2
X4a
Safety Relay M.W.
Safety-relay.Sch
Current Sense
Current-Sense.Sch
Hybrid Relay 1
Hybrid-Relay.Sch
1
2
X4b
Door switch
door-switch-detection.Sch
X4a
X2.1
Voltage selection
Voltage-selection-Relay-driver.Sch
Relays driver
1
2
3
4
X101
1
2
3
X102b
X102a
X102(N)
Common Connector block
interlock switches
1
2
3
X10
Power supply
Power-supply.Sch
1
2
X1
12V;5V;3.3V
12V 5V
Thermocoupler
Thermocoupler-input.Sch
1
2
X14
N
C/B Bus
C-P-Bus.Sch
C-Bus
C-P-Bus.Sch
P-Bus
C-P-Bus.Sch
Safety relay Supply
Safety-relay.Sch
Air filter feedback
feedback.Sch
+12V
X18e.2
MCU
MCU.Sch
8
4
6
X11
X12
X13
Power switch feedback
( Heater & M.W. only)
Motor feedback
feedback.Sch
1
2
3
X5
Lcs_Heater
Lcs_MW L'cs_MW
1
2
X18b
1
2
X18c
1
2
X18d
1
2
X18e
29 11
Heater 1.6kW
78
78 77
77
Heater 1.6kW
1
2
3
X18a
58
59
64
65
Convection fan
blue
black
brown
blue
brown
Cooling fan
blue
black
brown
blue
brown
F4
46
45
44
47
48
T1
MW1
Diodboard
55
57
56
F4
46
45
44
51
52
47
K1
49
50
48
T1
MW1
Diodboard
55
57
56
50Hz
60Hz
230
0
0
208
240
NC
Delta
L3
L2
L1
Star
F1
7
8
9
F2
F3
4
1
5
2
6
3 15
14
13
12
11
10
6
4
3
2
1
18
19
16
17
25 26
On/Off
Air filter
Cavity
69 70
Cavity
71 72
MW1
8
5
1
2
PRI
TR3
Heater
Microwave
Control
+ -
For Dual phase or
3 phase Delta ovens
Wire No's 4 & 6
connect to L1/L2
Wire No 5
L2
L1
N
For single phase ovens
Wire No's 4,5 & 6
connect to L1/L2
5
5
20
22
21
12
Right Hand Side Switch assly
23
24
Left Hand Side Switch assly
SW2 Secondary
C
NC
NO
SW1 Monitor
C
NC
NO
SW3 Primary
C
NC
NO
Note
Switches Shown in
Door Closed position!
BTS
Coms modules
Aux
Power
Cooling Fan
15
17
16
14
58
59
SRB Transformer
Convection fan powerMagnetron stirrer motor 1
Turntable
60
61
64
65
63
62
Safety Relay Aux
Safety-relay.Sch
Line voltage monitoring
Line-voltage-monitoring.Sch
L
N
1
2
X103
Triac 1A output
Triac-output.Sch
Triac 2A output
Triac-output.Sch
Triac 1A output
Triac-output.Sch
1
2
X9
L'
N
Convection Fan
0-10V-out.Sch
0...10V passiv
isolated output
1
2
3
X3
1
2
X8
1
2
X17
1
2
3
4
X20
X8.1
N
X17.1
N
X20.1
N
1
2
X103.1
L
N
ELECTRICAL
CIRCUITS

Table of Contents