EasyManua.ls Logo

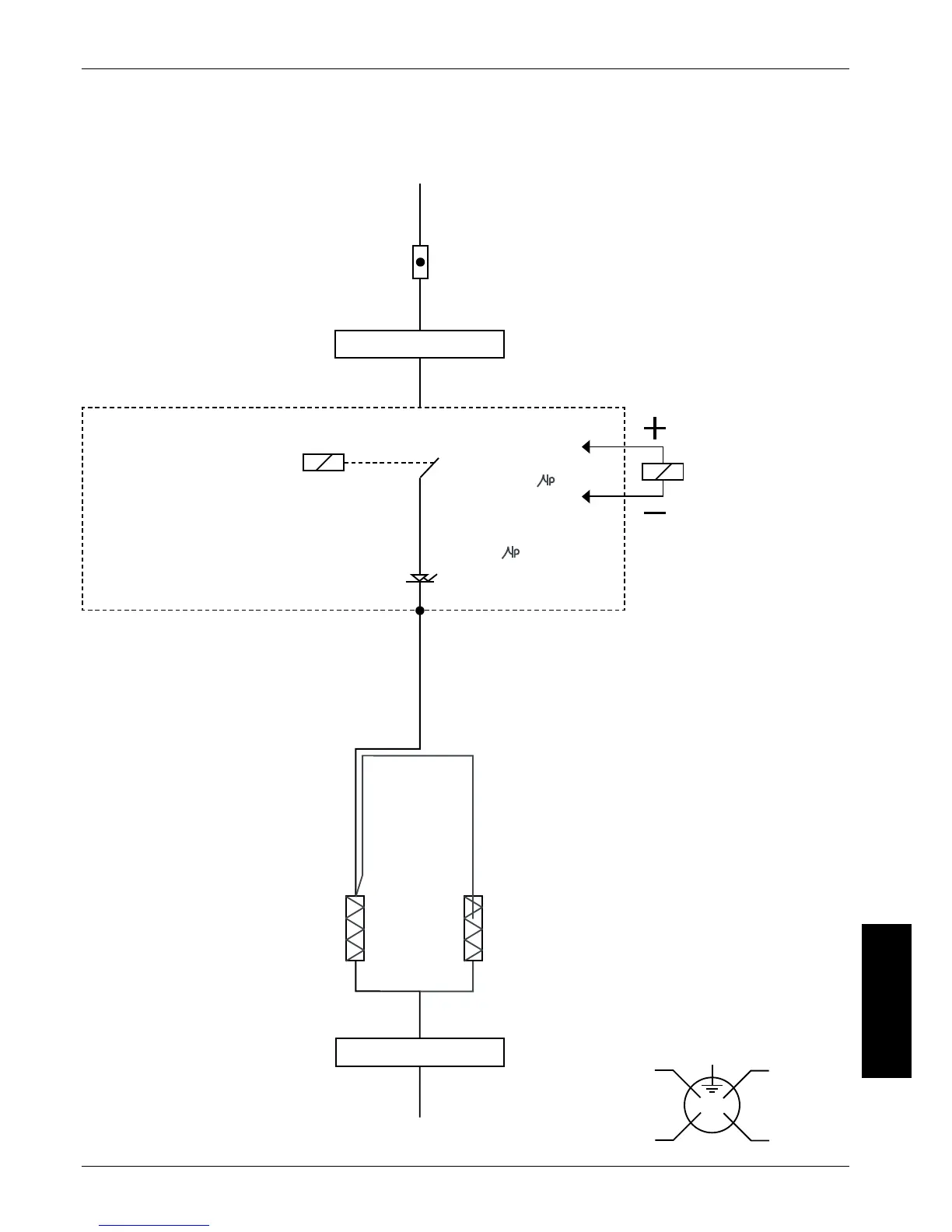
Eikon E3 - HEATER CIRCUIT E3 Xe & E3

Eikon E3
60 pages
Print Icon
To Next Page IconTo Next Page
To Next Page IconTo Next Page
To Previous Page IconTo Previous Page
To Previous Page IconTo Previous Page
Loading...
Service & Parts Manual original Instructions
Part Number 32Z3812 US
Issue 1
55
ELECTRICAL
CIRCUITS
N L
11
1
10
7
11
11
1
N
4
7
10
x2.1
x14.1
x14.2
x2.2
29
29 78 78
77
Filter 3
Filter 3
Temperature
thermocouple
Heater Element
Filter 3. Connector view
Processor controlled
input for
Safety Heater Relay.
Powered by Safety Supply
relay
Fuse 1
HEATER CIRCUIT e3XE & e3 XX24.6
20 Amp
L1 TWIN PHASE MODEL
L SINGLE PHASE MODEL

Table of Contents