EasyManua.ls Logo

Eikon E3 - CONTROL CIRCUIT E3 Ee, E3 Xe & E3 Xx

Eikon E3
60 pages
Print Icon
To Next Page IconTo Next Page
To Next Page IconTo Next Page
To Previous Page IconTo Previous Page
To Previous Page IconTo Previous Page
Loading...
Service & Parts Manual original Instructions
Part Number 32Z3812 US
Issue 1
53
ELECTRICAL
CIRCUITS
6062 58
6
9
14
15
3
64 16
N
18 69
12V
24V
12V
1.25A
72 2725
TR3
6163 59 65 17 19
N L
70 71 2826
15
3
14
9
L1 TWIN PHASE MODEL
Filter 1. Connector view
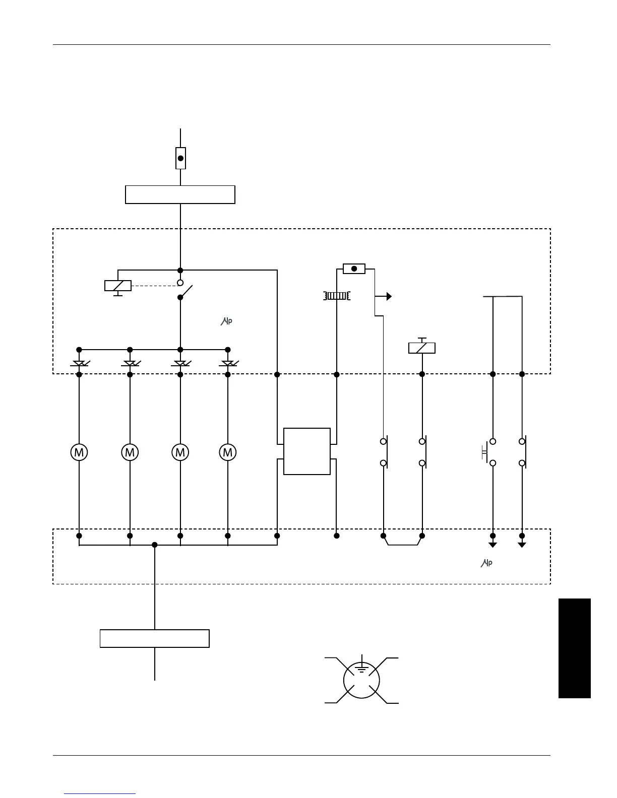
CONTROL CIRCUIT e3EE, e3XE & e3XX24.4
Filter 1
Filter 1
Safety Aux.
Input detection for
control
in
out
Stirrer
Turn table
Cooling fan
Convection fan
Air lter Reed Cont.
CAV O/H
MW O/H
ON/OFF switch
Safety Relay supply
controlled
Fuse 3
L SINGLE PHASE MODEL
3 Amp

Table of Contents