EasyManua.ls Logo

Eikon E3 - MICROWAVE CIRCUIT E3 Ee

Eikon E3
60 pages
Print Icon
To Next Page IconTo Next Page
To Next Page IconTo Next Page
To Previous Page IconTo Previous Page
To Previous Page IconTo Previous Page
Loading...
56
Service & Parts Manual original Instructions
Part Number 32Z3812 US
Issue 1
ELECTRICAL
CIRCUITS
N L
13
2
12
8
5
8
12
23
24
2221
20
X.10
x4a
2
13
44
46
48
55
56
FA F
MW
57
1
47
82
81
x102b x102a
x4b1
21
45
45
N
N L
47
45
48
46
81 82
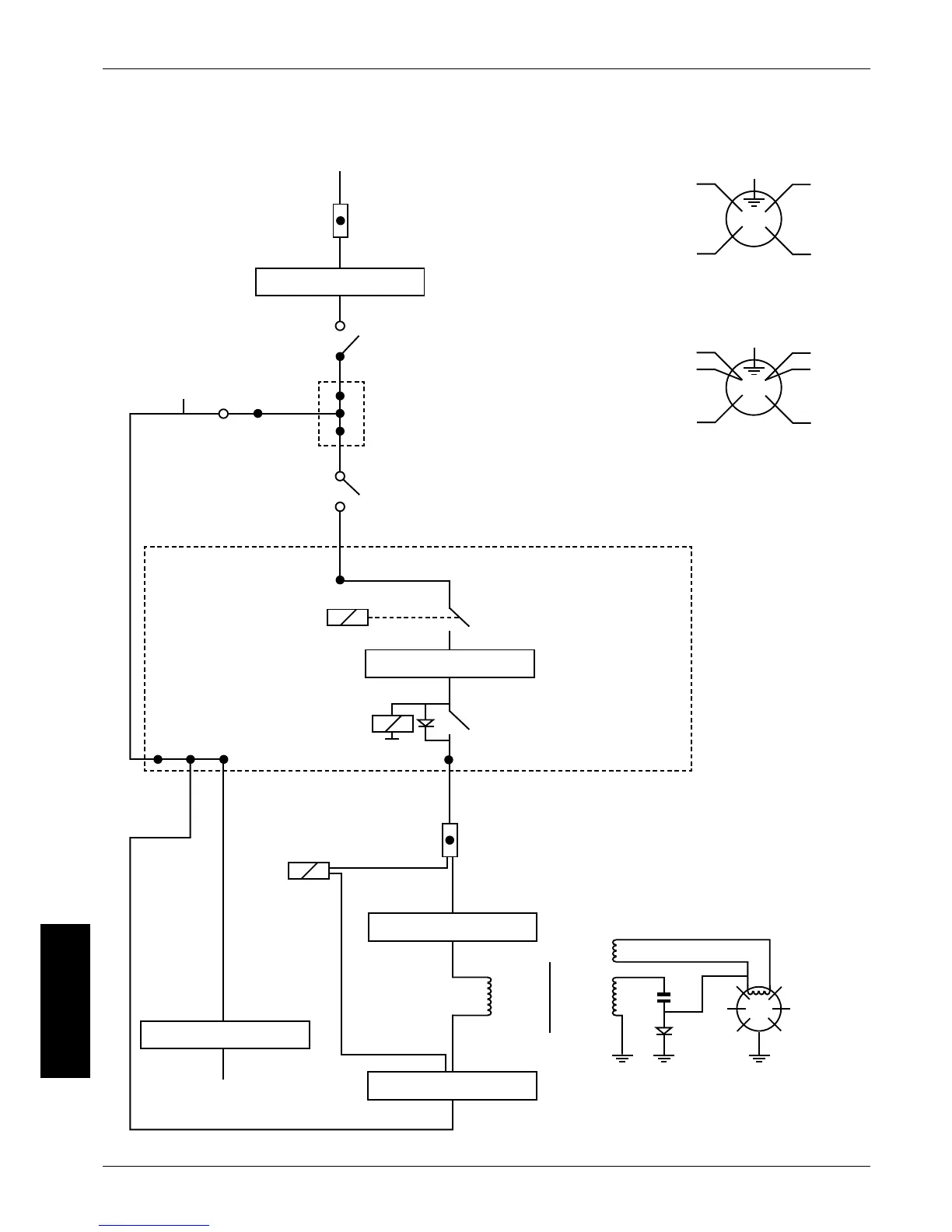
Hybrid
Relay
Safety Relay
Microwave. Powered
by Safety Supply relay
Filter 2
LHS SW3
normally
open
Current Sense
To SRB E101 Sense
Fuse 4
RHS SW1
normally
closed
Door Switches shown in
door open position
RHS SW2
normally
open
Fuse 2
20 Amp
10 Amp
Heat half Power
Relay
HV Transformer
Diode Board
Filter 2
Filter 4
Filter 4
Filter 4. Connector view
Filter 2. Connector view
MICROWAVE CIRCUIT e3EE24.7
L

Table of Contents