EasyManua.ls Logo

EINHELL WSC 115 - Page 39

EINHELL WSC 115
Print Icon
To Next Page IconTo Next Page
To Next Page IconTo Next Page
To Previous Page IconTo Previous Page
To Previous Page IconTo Previous Page
Loading...
39
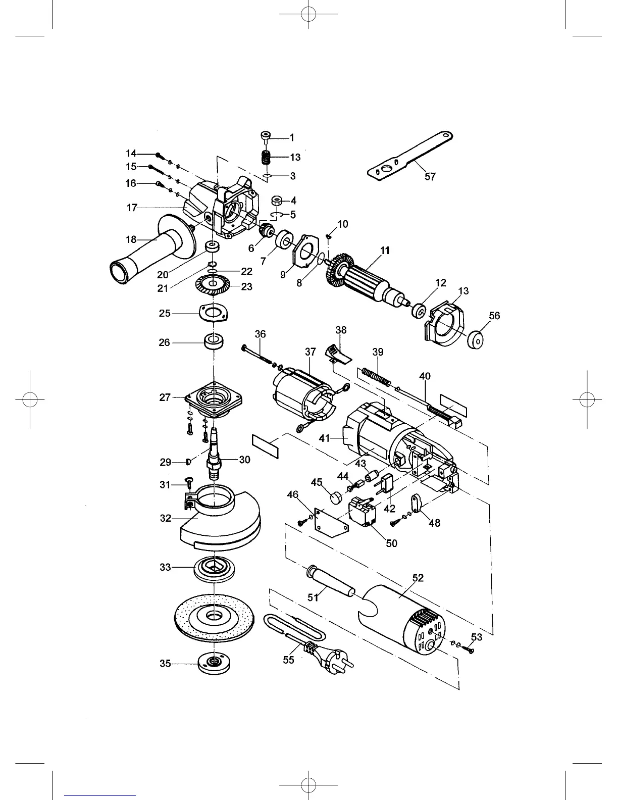
Ersatzteilzeichnung Winkelschleifer WSC 115-j Art.-Nr.: 44.302.00, I.-Nr.: 91115
Anleitung WSC 115 14.11.2001 9:54 Uhr Seite 39

Related product manuals