EasyManua.ls Logo

EKF TE-80 - Page 11

EKF TE-80
24 pages
Print Icon
To Next Page IconTo Next Page
To Next Page IconTo Next Page
To Previous Page IconTo Previous Page
To Previous Page IconTo Previous Page
Loading...
11
1
2
3
4
5
6
7
1 2
3 9
10
4
OK
OK
OK
OK
OK
OK
MENU
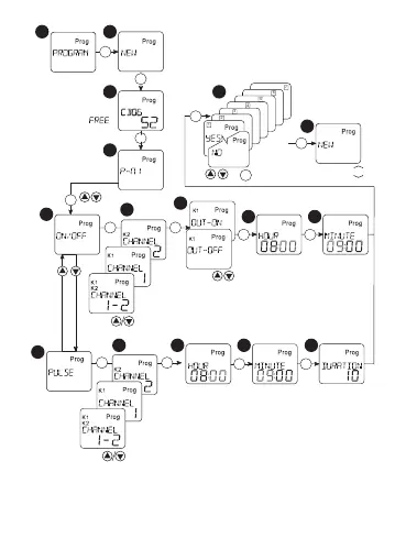
only for
timer with
2 C/O
only for
timer with
2 C/O
5
7
6
8 9
1312 14 15
OK OK
OK OK
OK OK
OK OK
11
OK