EasyManua.ls Logo

EKF VECTOR-100 - Page 8

Default Icon
12 pages
Print Icon
To Next Page IconTo Next Page
To Next Page IconTo Next Page
To Previous Page IconTo Previous Page
To Previous Page IconTo Previous Page
Loading...
8
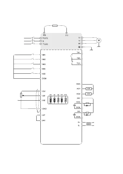
Connect communication lines as shown on the wiring diagrams (Fig.6
and Fig.7 below).
Digital input 1
Digital input 2
Digital input 3
Digital input 4
High-speed input
Grid connection
(1/3 phase)
MCB
High-speed output
with open collector 1
Output with
open collector 2
RS485
(Modbus)
Analogue output 1
(0-10 V / 4-20 mA)
Analogue output 2
(0-10 V / 4-20 mA)
Normally open
Relay output 1
Normally closed
Braking resistor
(0,4~37 kW)
1-10kOhm
1-10 V / 4-20 mA
1-10 V / 4-20 mA
Figure 6. Wiring diagram for frequency converters VECTOR-100 0,4 to 7,5 kW