EasyManua.ls Logo

EKF VECTOR-100 - Page 9

Default Icon
12 pages
Print Icon
To Next Page IconTo Next Page
To Next Page IconTo Next Page
To Previous Page IconTo Previous Page
To Previous Page IconTo Previous Page
Loading...
8 9
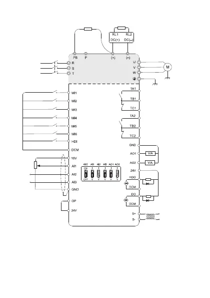
Figure 7. Wiring diagram for frequency converters VECTOR-100 over 7,5 kW
1-10kOhm
1-10 V / 4-20 mA
Digital input 3
Digital input 4
Digital input 5
Digital input 6
High-speed input
Digital input 2
Digital input 1
Grid connection
(1/3 phase)
MCB
Braking resistor
(0,4~37 kW)
Normally open
Relay output 1
Normally closed
Normally open
Relay output 2
Normally closed
Analogue output 1
(0-10 V / 4-20 mA)
Analogue output 2
(0-10 V / 4-20 mA)
High-speed output
with open collector 1
Output with
open collector 2
RS485
(Modbus)
Braking
resistor
Braking unit
(>37 kW)
1-10 V / 4-20 mA
1-10 V / 4-20 mA