EasyManua.ls Logo

EKKO EB12E-119 - Wiring;circuit diagram; Circuit diagram

EKKO EB12E-119
27 pages
Print Icon
To Next Page IconTo Next Page
To Next Page IconTo Next Page
To Previous Page IconTo Previous Page
To Previous Page IconTo Previous Page
Loading...
14
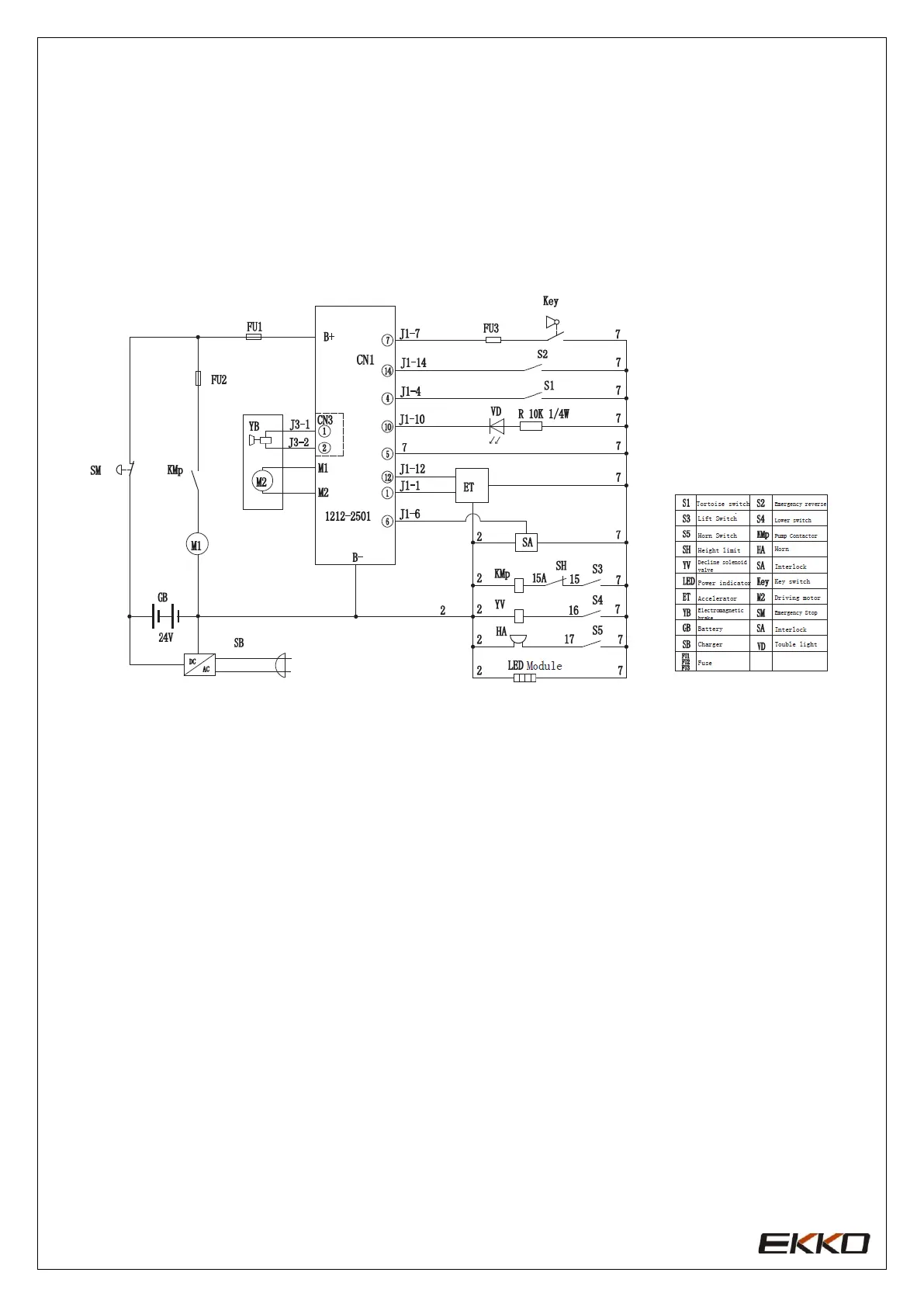
3. Wiring/circuit diagram
A. Circuit diagram

Related product manuals