EasyManua.ls Logo

ELCA AT E1-MIA - Wiring Example

Default Icon
Print Icon
To Next Page IconTo Next Page
To Next Page IconTo Next Page
To Previous Page IconTo Previous Page
To Previous Page IconTo Previous Page
Loading...
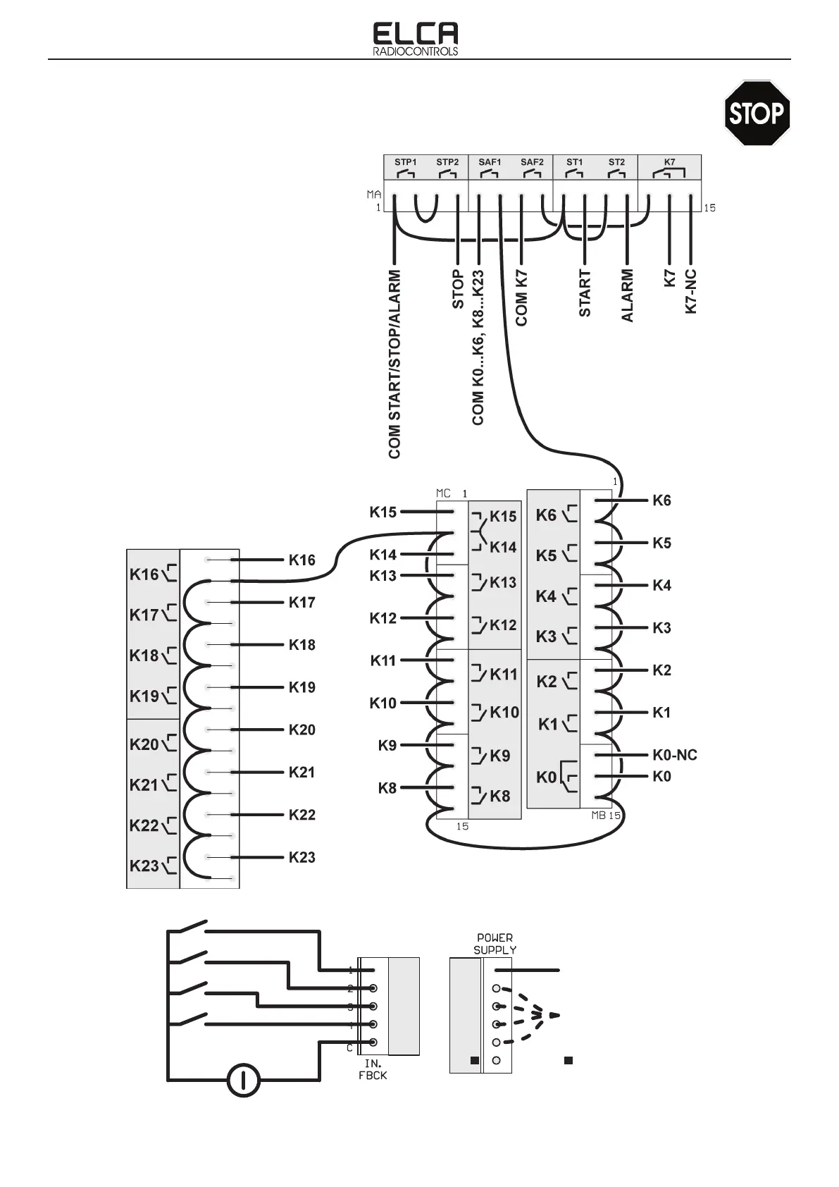
ENG man E1-MIA 00 E1-MIA Radio Remote Control
- Page 14 -
5.2 WIRING EXAMPLE
0Vac SUPPLY
48/55/110/230Vac
SUPPLY
-
V= 10...55 Vac/dc
+/~ -/~
IN1
IN2
IN3
IN4
0V
48V
55V
110V
230V
-
IN1
IN2
IN3
IN4
RIF

Table of Contents

Related product manuals