EasyManua.ls Logo

elddis 2011 Xplore 302 - 12 V FUSES - ALL MODELS

elddis 2011 Xplore 302
88 pages
Print Icon
To Next Page IconTo Next Page
To Next Page IconTo Next Page
To Previous Page IconTo Previous Page
To Previous Page IconTo Previous Page
Loading...
8-3
ELECTRICAL SYSTEM
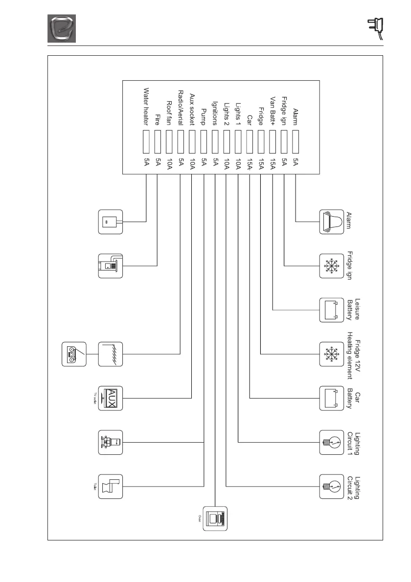
12V FUSES - ALL MODELS

Table of Contents

Related product manuals