EasyManua.ls Logo

elddis Xplore 2014 - Road Lights

elddis Xplore 2014
108 pages
Print Icon
To Next Page IconTo Next Page
To Next Page IconTo Next Page
To Previous Page IconTo Previous Page
To Previous Page IconTo Previous Page
Loading...
15-3
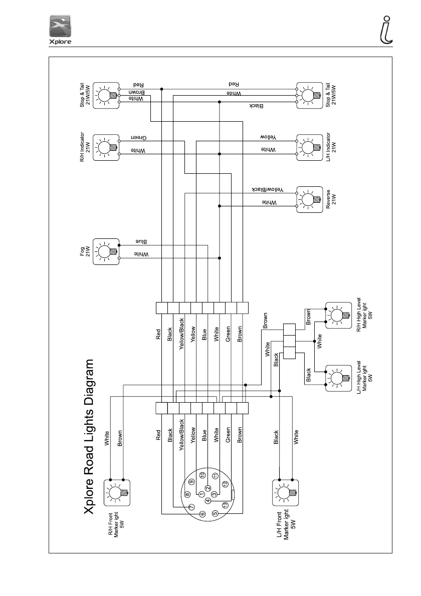
ELECTRICAL DRAWINGS
ROAD LIGHTS

Table of Contents

Related product manuals