EasyManua.ls Logo

Electro-Harmonix 95000 - Signal Path Diagram

Electro-Harmonix 95000
40 pages
Print Icon
To Next Page IconTo Next Page
To Next Page IconTo Next Page
To Previous Page IconTo Previous Page
To Previous Page IconTo Previous Page
Loading...
38
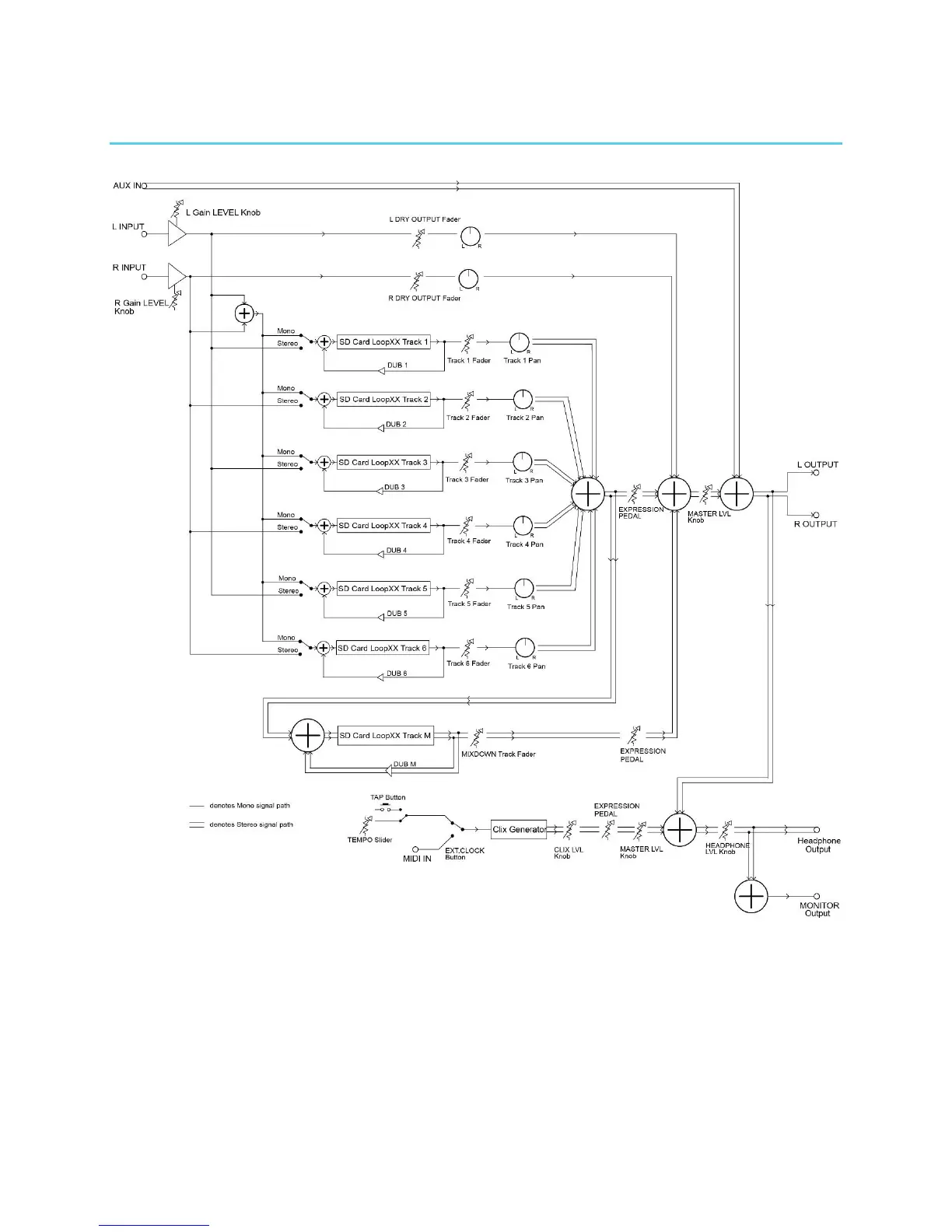
SIGNAL PATH DIAGRAM

Table of Contents

Related product manuals