EasyManua.ls Logo

Electro-Harmonix Attack Decay - Using the Send and Return FX Loop; FX Loop Connection and Operation Tips

Electro-Harmonix Attack Decay
24 pages
Print Icon
To Next Page IconTo Next Page
To Next Page IconTo Next Page
To Previous Page IconTo Previous Page
To Previous Page IconTo Previous Page
Loading...
13
USING THE SEND AND RETURN FX LOOP
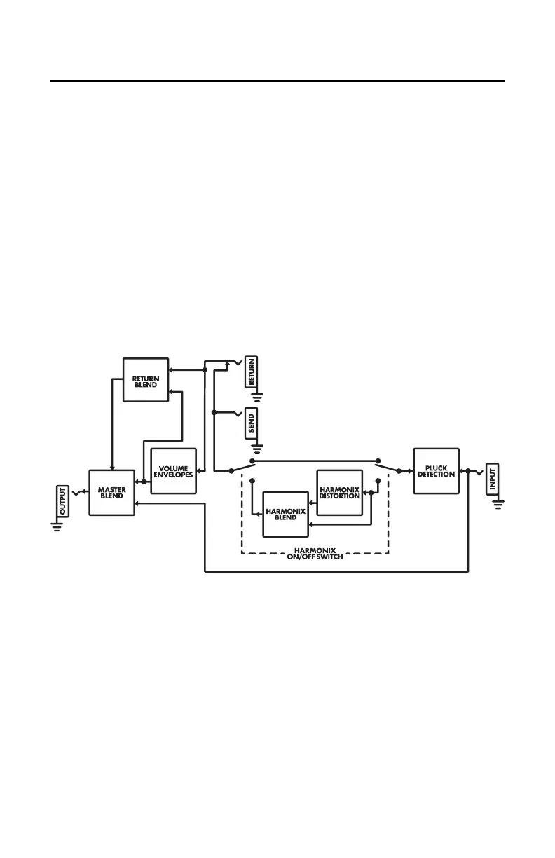
The SEND and RETURN effects loop jacks allow for inserting other sounds
between the signal at the INPUT jack and the input into the volume
envelopes. In Mono mode, this means your dry instrument signal can be
used by the Attack Decay to detect plucks but the volume envelopes act
on the signal at the RETURN jack instead of the INPUT jack’s dry signal.
In POLY mode, pluck detects are always generated by the actual signal
going into the volume envelopes.
The Attack Decay’s SEND jack sends a signal after the Harmonix effect (if
activated) and pluck detection, but before the volume envelope stages.
The RETURN jack routes the external signal through the volume
envelopes. In Mono mode, the volume envelope is triggered by the signal
at the input jack. This allows the dry guitar to trigger the volume envelope
of an external effect that might otherwise be difficult to use with the Attack
Decay. For example: a fuzz or reverb that obscures the guitar’s attack.
TIPS ON USING THE SEND AND RETURN JACKS
1. Default Bypass: when the Attack Decay is set to Bypass, by default,
the signal at the INPUT jack is connected to the OUTPUT jack. This
bypass connection is buffered and analog. While in Bypass, the SEND
jack still outputs signal and will output the Harmonix effect if it is
activated.
2. Return Bypass: optionally, you may enable Return Bypass. In this
case, while in Bypass, the signal present at the RETURN jack is
connected to the OUTPUT jack. This form of bypass is digital. When

Related product manuals