EasyManua.ls Logo

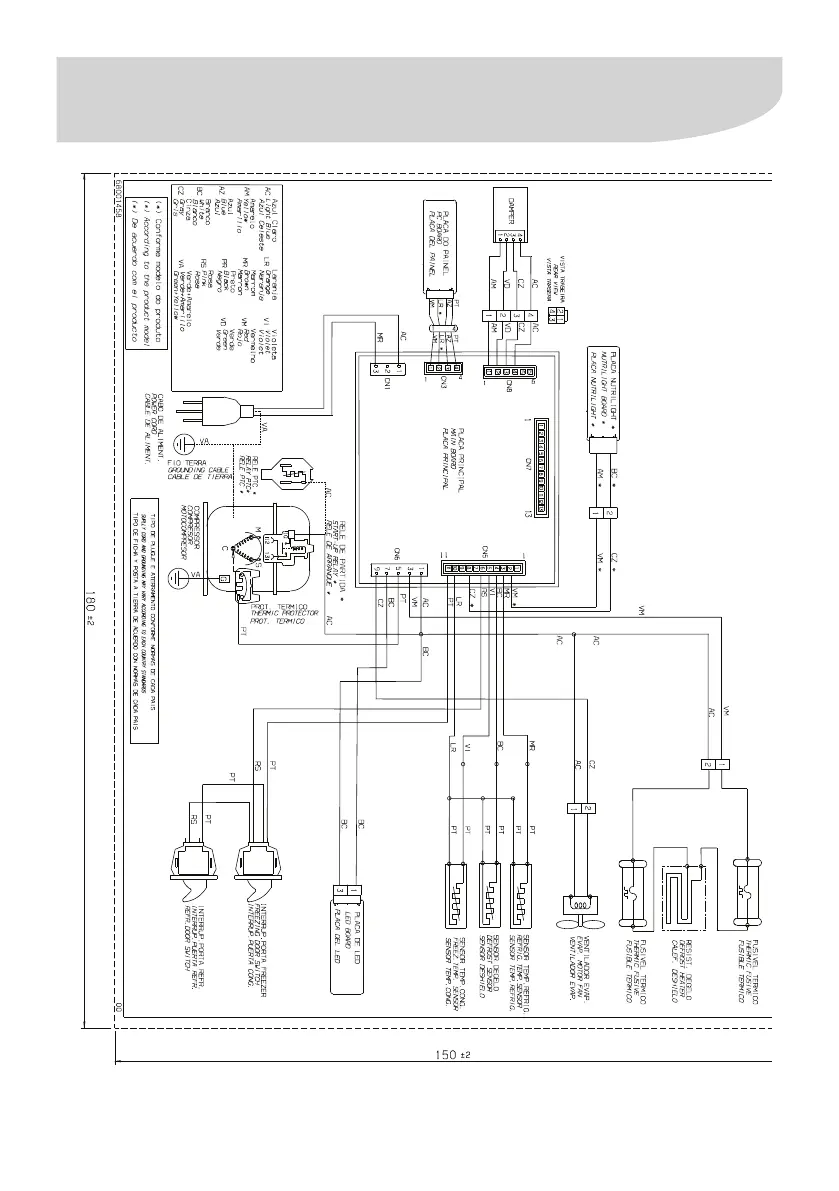
Electrolux DB52X - Electric Diagram

Electrolux DB52X
Print Icon
To Next Page IconTo Next Page
To Next Page IconTo Next Page
To Previous Page IconTo Previous Page
To Previous Page IconTo Previous Page
Loading...
51
Electric Diagram
A1
2
SAFETYREQUIREMENT
Criticaldimensionswhich
mustbeundercapability
Visiblesurfaces.
Draftangles(notshown):
MATERIAL
TREATMENT
DESIGNOWNER
METHOD
EUROPEAN
REV
DERIVEDFROM
SHEET
NUMBER
WEIGHT(±10%)
DESIGNUSERS
DRN
CHD
APPR
DATE
No
No
SCALEMODEL
TITLE
SUPPLYSPECIFICATIONS
ElectroluxdoBrasilS.A.
ProductEngineering
Thisdrawingcontainsconfidentialinformationand
isthepropertyof
withoutwhosepermissionitmaynotbecopied,shown
orhandedtoathirdpartyorotherwiseused,andit
istobereturnedpromptlyuponrequesttothe
w h i c h i s r e s p o n s i b l e
forthedrawing.
GENERALTOLERANCES
ANGLES
DEVELOPEDFLATAREA
LENGTHSANDDIAMETERS
THEORETICALFLATAREA
5
B
11121314151617
A
8
10 9
8
9 7 6 5 4 3 2 1
7
C
D
E
13141516
3
17
6 2 1
12
M
F
10
G
H
L
4
11
J
SYMBOLOGY
CRITICALDATA
CRITICALDIMENSIONS
C
DOCN.
DATEAPPROVED
DRN
DESCRIPTIONOFMODIFICATION

Related product manuals