EasyManua.ls Logo

Electrolux DF36 - Operation of the Bulbs

Electrolux DF36
48 pages
Print Icon
To Next Page IconTo Next Page
To Next Page IconTo Next Page
To Previous Page IconTo Previous Page
To Previous Page IconTo Previous Page
Loading...
4
This document cannot be reproduced or passed to third parties without authorization of Electrolux do Brasil S.A..
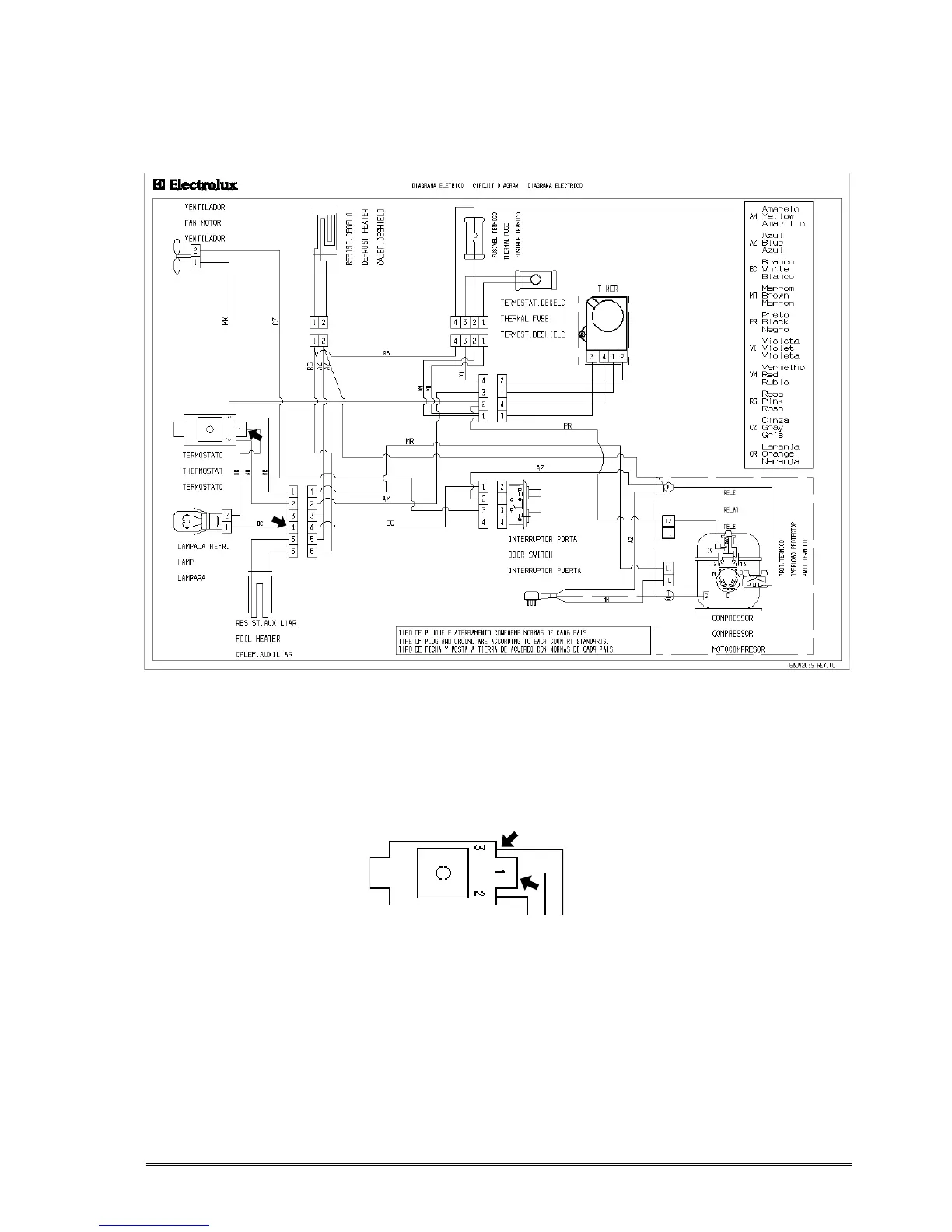
1.3 Operation of the bulbs
To verify the proper operation of the bulb, measure the alternate tension (127V or 220V) between the terminal 1 of the
thermostat and the terminal 4 of the multi-way connector of the refrigerator top flow.
! Thermostat test
With the thermostat in the turned on position, it should have been continuity between the terminals 1 and 3. If
there is no continuity, the thermostat must be replaced.

Other manuals for Electrolux DF36

Related product manuals