EasyManua.ls Logo

Electrolux EDB715BU - Things You Need to Know; Warnings; Choice of Electrical Connection

Electrolux EDB715BU
49 pages
Print Icon
To Next Page IconTo Next Page
To Next Page IconTo Next Page
To Previous Page IconTo Previous Page
To Previous Page IconTo Previous Page
Loading...
THINGS YOU NEED TO KNOW
WARNINGS:
This appliance must be installed by a qualified
electrician/competent person. Safety may be
impaired if installation is not carried out in
accordance with these instructions.
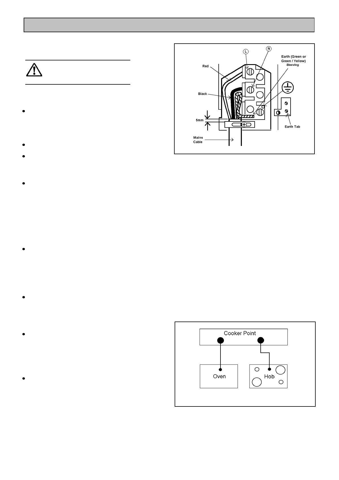
This appliance must be earthed.
Do not remove the screws from the earth tab
extending from the oven mains terminal block
(Fig. 1).
Before connecting the appliance make sure that
the voltage of your electricity supply is the same
as that indicated on the rating plate. This is
situated on the lower front frame of the
appliance upon opening the top cavity door.
Alternatively the rating plate may also be found
on the back or top of some models (where
applicable).
Do not alter the electrical circuitry of this
appliance.
CHOICE OF ELECTRICAL
CONNECTION
The appliance should be operated using at least
6mm² twin core and earth PVC insulated
multicore cable. Please choose from the most
appropriate after reading the descriptions:
By connecting the appliance to a cooker point
having a double pole isolating switch providing
at least 3mm contact separation in all poles and
protected with a fuse or miniature circuit breaker
at your mains fuse box.
If you wish to connect an oven and a hob to a
cooker point you can, by connecting the oven
and hob separately to the cooker point. See Fig.
2.
37
INSTALLATION INSTRUCTIONS
WARNINGS:
Fig. 1
Fig. 2

Table of Contents

Related product manuals