EasyManua.ls Logo

Electrolux EIGD55H - Wiring Diagram Model EIED55 H

Electrolux EIGD55H
100 pages
Print Icon
To Next Page IconTo Next Page
To Next Page IconTo Next Page
To Previous Page IconTo Previous Page
To Previous Page IconTo Previous Page
Loading...
6-2
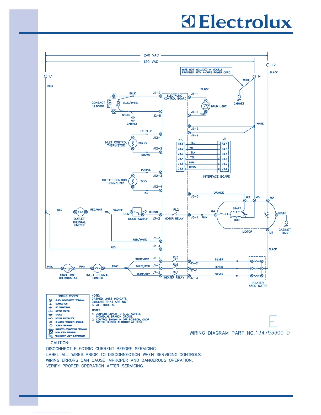
WWiirriinngg DDiiaaggrraammss
MMooddeell EEIIEEDD5555HH

Other manuals for Electrolux EIGD55H

Related product manuals