EasyManua.ls Logo

Electrolux EIGD55H - Page 97

Electrolux EIGD55H
100 pages
Print Icon
To Next Page IconTo Next Page
To Next Page IconTo Next Page
To Previous Page IconTo Previous Page
To Previous Page IconTo Previous Page
Loading...
6-5
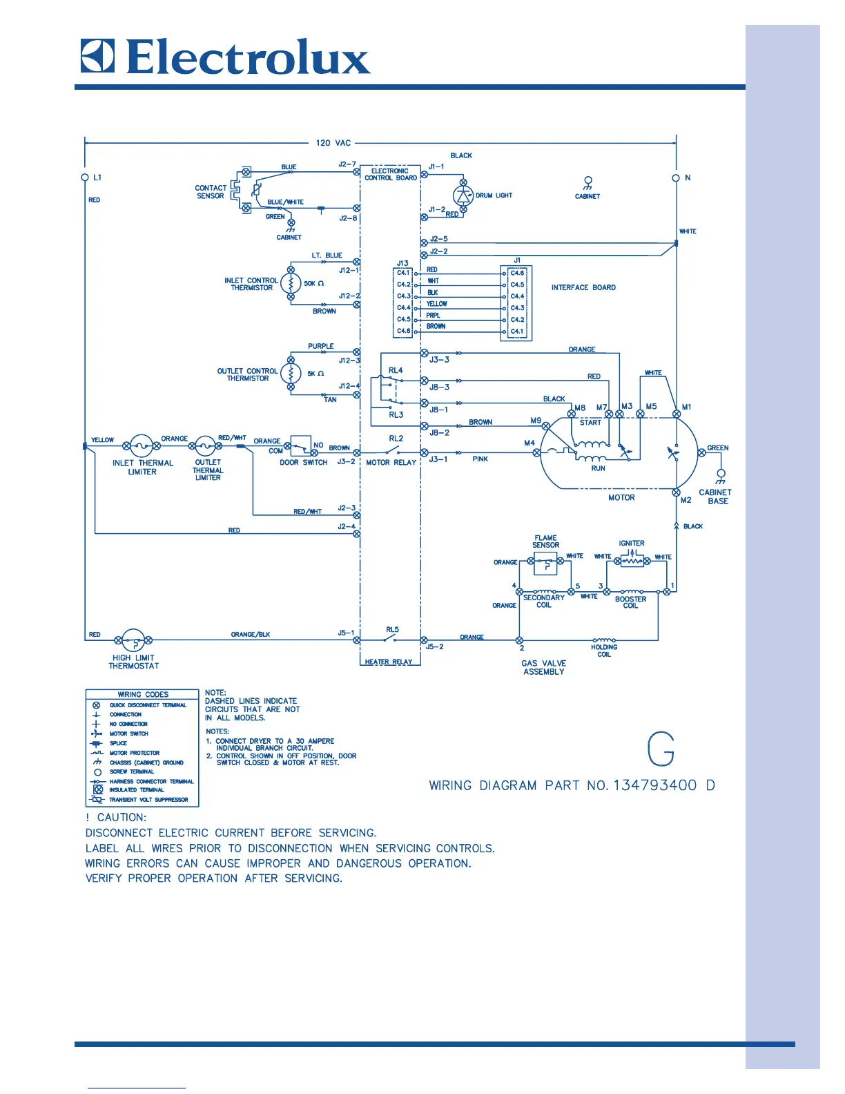
WWiirriinngg DDiiaaggrraammss
MMooddeell EEWWGGDD6655HH

Other manuals for Electrolux EIGD55H

Related product manuals