EasyManua.ls Logo

Electrolux EWX14931 - EWX13611 Operating Circuit Diagram

Electrolux EWX14931
124 pages
Print Icon
To Next Page IconTo Next Page
To Next Page IconTo Next Page
To Previous Page IconTo Previous Page
To Previous Page IconTo Previous Page
Loading...
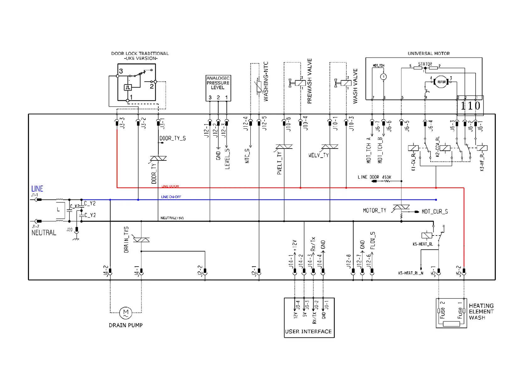
22.1 EWX13611 Operating circuit diagram
Technical Support - DMM 95/124 599 75 58-67 Rev. 03

Table of Contents

Related product manuals