EasyManua.ls Logo

Electrolux FLE120 - Page 68

Electrolux FLE120
91 pages
Print Icon
To Next Page IconTo Next Page
To Next Page IconTo Next Page
To Previous Page IconTo Previous Page
To Previous Page IconTo Previous Page
Loading...
Service
Manual
9406
29
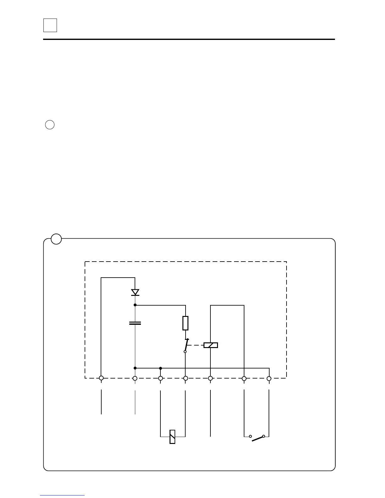
29. Door and safety locking device
6
5
X194:5
X194:4 X194:3 X194:2 X194:1 X193:2 X193:1
Spännings
matning
Lucklås-
spole Y80
Rotations-
vakt
Fördröjningsenhet D1
Signal "öppna"
från program-
verkskort
2439
Fig.
5
Function
If the machine has not been energised within the last three minutes, the door will
remain unlocked. When the machine is energised the door will be locked if a program
is activated or if the drum is rotating. Upon completion of a program the door will be
unlocked automatically as soon as the drum has stopped rotating.
If the power supply is cut to a machine which was energised the door will remain
locked for three minutes, after which time it will be unlocked automatically.
The diagram below shows how the delay unit works.
When the machine is energised the delay unit is fed phase and neutral on X194:5
and X194:4 respectively. The door lock coil Y80 is then fed phase (via a normally-
closed relay contact) and neutral from X194:3. The relay coil acts on two conditions -
that the drum is at a standstill and an ”open” signal from the programmer circuit
board:
One side of the relay coil receives a neutral when the rotation guard short-circuits
X193:1 and 2.
The other side of the relay coil is supplied with phase from the programmer circuit
board (”open” signal).
Both of these conditions must be fulfilled for the door to be unlocked.
In the event of a power cut the capacitor will discharge via the relay and the door lock
solenoid. In this way the door lock solenoid continues to operate for three minutes,
after which the door is unlocked automatically.
Delay unit D1
Voltage
feed
Door lock
coil
Y80
”Open” signal
from programmer
circuit board
Rotation
guard

Table of Contents

Related product manuals