EasyManua.ls Logo

Electrolux SPEEDELIGHT - Page 2

Electrolux SPEEDELIGHT
46 pages
Print Icon
To Next Page IconTo Next Page
To Next Page IconTo Next Page
To Previous Page IconTo Previous Page
To Previous Page IconTo Previous Page
Loading...
2
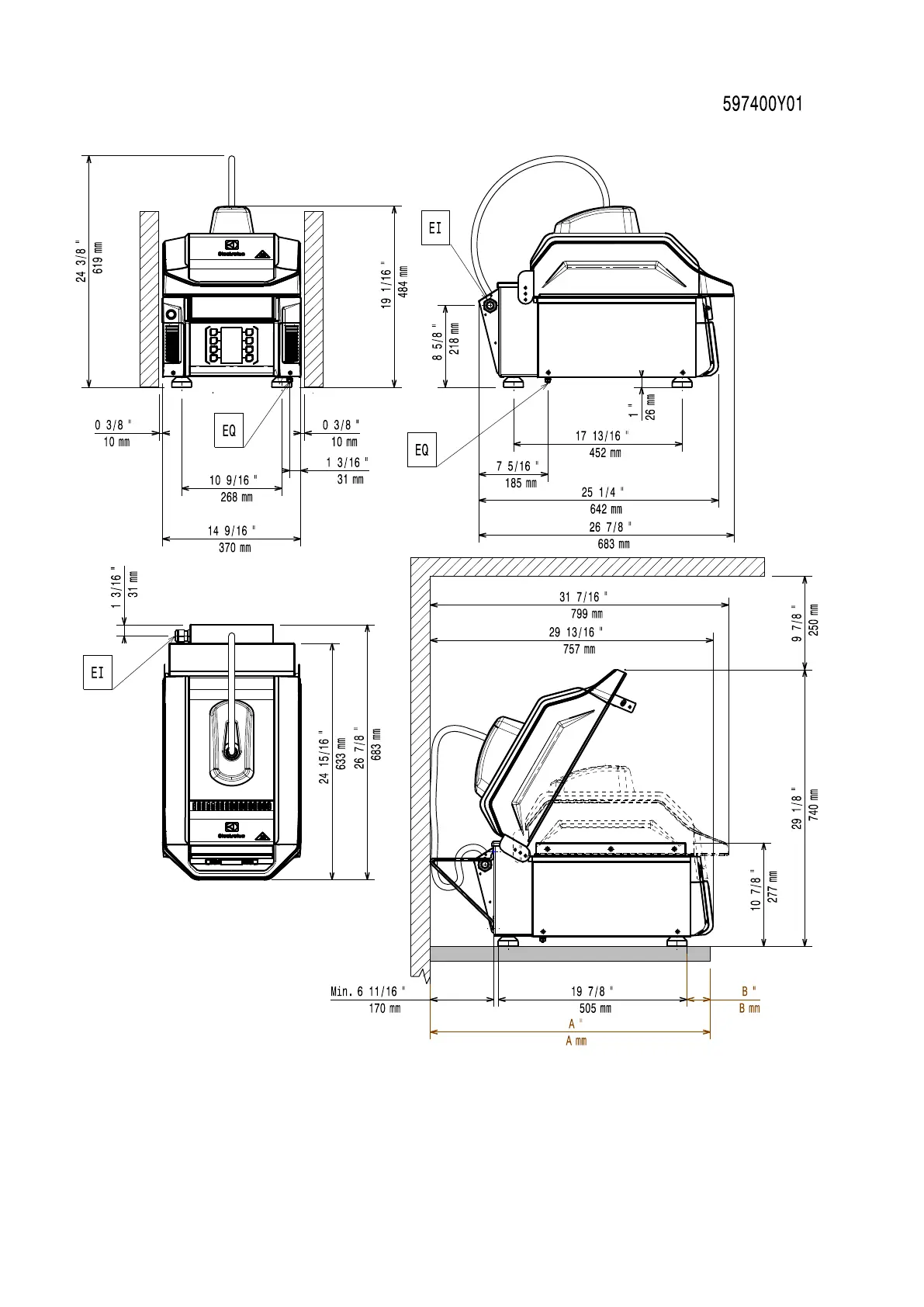
Installation diagram

Table of Contents

Other manuals for Electrolux SPEEDELIGHT

Related product manuals