EasyManua.ls Logo

Elived EV005 - Page 10

Elived EV005
19 pages
Print Icon
To Next Page IconTo Next Page
To Next Page IconTo Next Page
To Previous Page IconTo Previous Page
To Previous Page IconTo Previous Page
Loading...
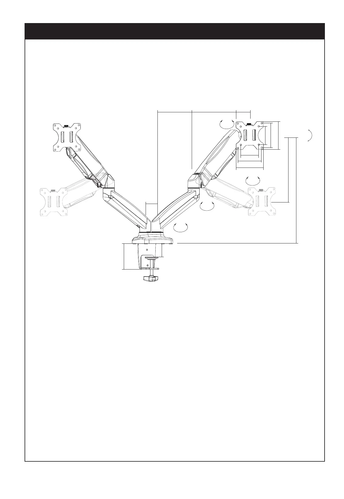
Product Dimensions
Unitmm
09
10-80
100
160
55
-45°
+90°
360°
180°
360°
360°
170-410
184-260 50
75
100
115
75
100
115
250

Related product manuals