EasyManua.ls Logo

Elmo 16-CL - Page 62

Elmo 16-CL
76 pages
Print Icon
To Next Page IconTo Next Page
To Next Page IconTo Next Page
To Previous Page IconTo Previous Page
To Previous Page IconTo Previous Page
Loading...
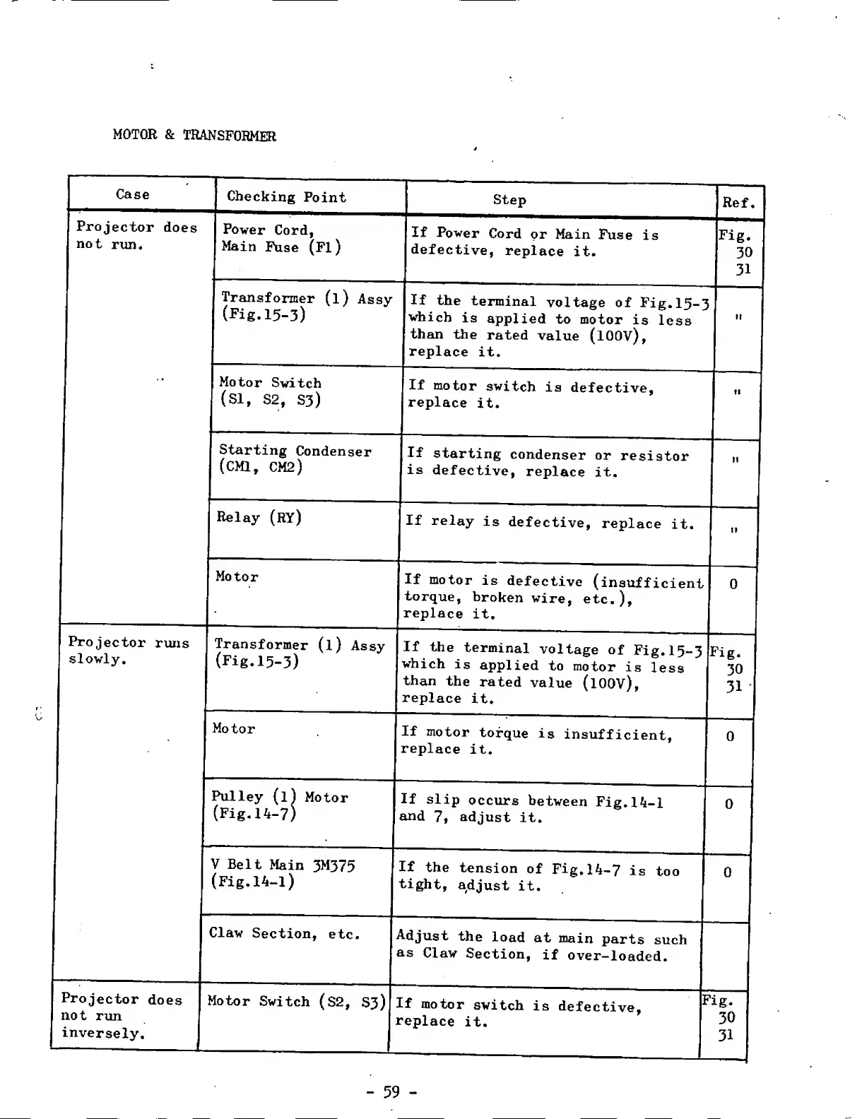
MOTOR
&
TRANSFORMER
4
Case
Checking
Point
Step
Ref.
Projector
does
not
run.
Power
Cord,
Main
Fuse
(FI)
If
Power
Cord
or
Main
Fuse
is
defective,
replace
it.
Transformer
(l)
Assy
(Fig.15-3)
If
the
terminal
voltage
of
Fig.
1
5
-3
which
is
applied
to
motor
is
less
than
the
rated
value
(lOOV),
replace
it.
ir
Motor
Switch
(si,
S2,
S3)
If
motor
switch
is
defective,
replace
it.
M
Starting
Condenser
(CM1,
CM2)
If
starting
condenser
or
resistor
is
defective,
replace
it.
tt
Relay
(RY)
If
relay
is
defective,
replace
it.
H
Motor
If
motor
is
defective
(insufficient
torque,
broken
wire,
etc.),
replace
it.
0
Projector
runs
slowly.
Transformer
(l)
Assy
(Fig.15-3)
If
the
terminal
voltage
of
Fig.
15
-
3
which
is
applied
to
motor
is
less
than
the
rated
value
(lOOV),
replace
it.
n
Motor
If
motor
torque
is
insufficient,
replace
it.
Pulley
(l)
Motor
(Fig.14-7)
If
slip
occurs
between
Fig.14-1
and
7,
adjust
it.
0
V
Belt
Main
3M375
(Fig.14-1)
If
the
tension
of
Fig,14-7
is
too
tight,
adjust
it.
0
Claw
Section,
etc.
Adjust
the
load
at
main
parts
such
as
Claw
Section,
if
over-loaded.
Projector
does
not
run
inversely.
-
-
Motor
Switch
(S2,
S3)
If
motor
switch
is
defective,
*
replace
it.
’ig.
30
31
-
59
-

Related product manuals