EasyManua.ls Logo

Emco V-20 - DC Current Measurement Circuit Theory

Emco V-20
24 pages
Print Icon
To Next Page IconTo Next Page
To Next Page IconTo Next Page
To Previous Page IconTo Previous Page
To Previous Page IconTo Previous Page
Loading...
same proportion to each other for the various ranges as the series resistors selected by S1C for the DC voltage circuit,
except that the AC series resistors are 1/20 the value of the DC resistors.
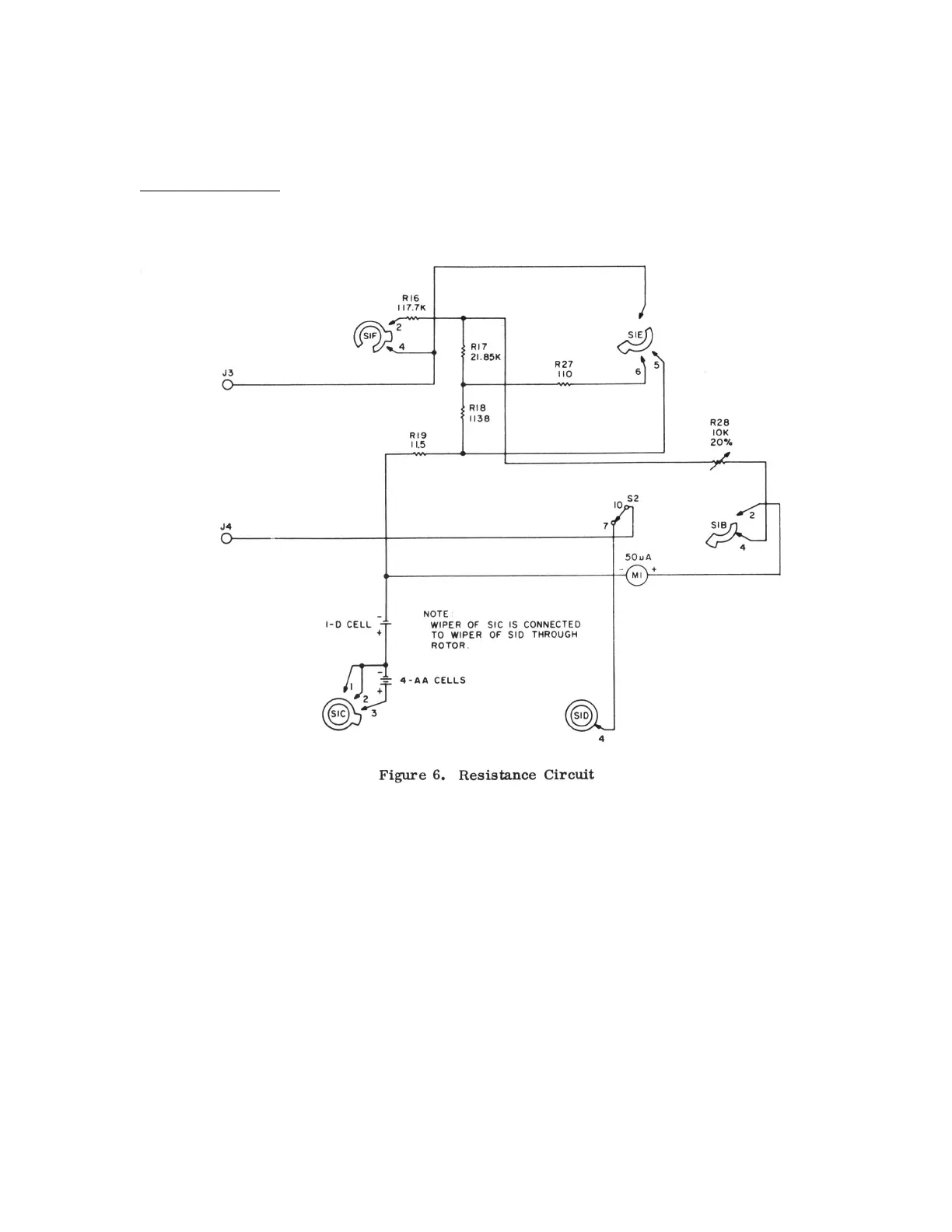
Resistance Measurement
Figure 6 shows that portion of the V-20 meter circuit used for resistance measurements. With the unit used as an
ohmmeter, function switch S2 is in the DC-OHMS position and contacts 7-10 are closed. Resistance measurements are
made between jacks J3 and J4.
The voltage used for the resistance measurements is selected by deck C of RANGE switch S1. The R x 1 and R x 100
ranges use 1.5 volts through contacts 1 and 2 of SIC and contact 4 of SID (wipers of SIC and SID are connected
together); while the R x 10K range uses an additional 6 voIts (contact 3 of SIC). Meter M1 is located in one leg of a
parallel resistance network consisting of resistors R16, R17, R18, H19, and R27. Decks E and F of S1 are used to select
the proper combinations of these resistors for each
14