EasyManua.ls Logo

Emerson 6402 - Page 119

Emerson 6402
200 pages
Print Icon
To Next Page IconTo Next Page
To Next Page IconTo Next Page
To Previous Page IconTo Previous Page
To Previous Page IconTo Previous Page
Loading...
Introduction
Parameter
x.00
Parameter
description format
Keypad and
display
Serial
communications
CT Modbus
RTU
PLC Ladder
programming
CTSoft Menu 0
Advanced parameter
descriptions
Menu 9
Commander SK Advanced User Guide 119
Issue Number: 9 www.controltechniques.com
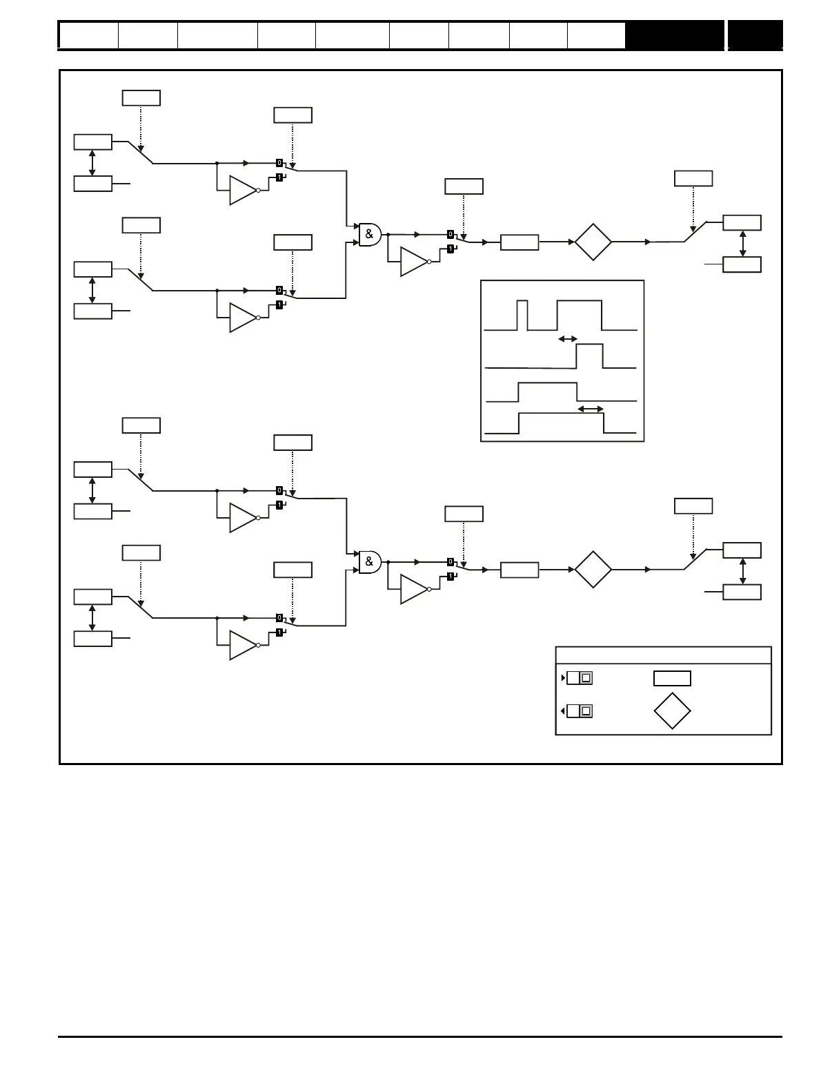
Figure 10-23 Menu 9A logic diagram
0.00
21.51
9.04
Source 1
0.00
21.51
9.06
9.05
Invert
9.07
Invert
9.08
Invert
9.01
0.00
21.51
9.10
Destination
0.00
21.51
9.14
Source 1
0.00
21.51
9.16
9.15
Invert
1.01
9.17
Invert
9.18
Invert
9.02
0.00
21.51
9.20
Destination
Positive Delay
Delay
Input
Output
Negative Delay
Delay
Input
Output
Logic Function 2
Logic Function 1
Source 2
Logic
output
Source 2
Logic
output
9.19
Delay
9.09
Delay
XX
XX
Key
Read-write
(RW)
parameter
Read-only (RO)
parameter
Input
terminals
Output
terminals
XX
XX
The parameters are all shown at their default settings

Table of Contents

Related product manuals