EasyManua.ls Logo

Emerson 6402 - Page 62

Emerson 6402
200 pages
Print Icon
To Next Page IconTo Next Page
To Next Page IconTo Next Page
To Previous Page IconTo Previous Page
To Previous Page IconTo Previous Page
Loading...
Menu 4 Introduction
Parameter
x.00
Parameter
description format
Keypad and
display
Serial
communications
CT Modbus
RTU
PLC Ladder
programming
CTSoft Menu 0
Advanced parameter
descriptions
62 Commander SK Advanced User Guide
www.controltechniques.com Issue Number: 9
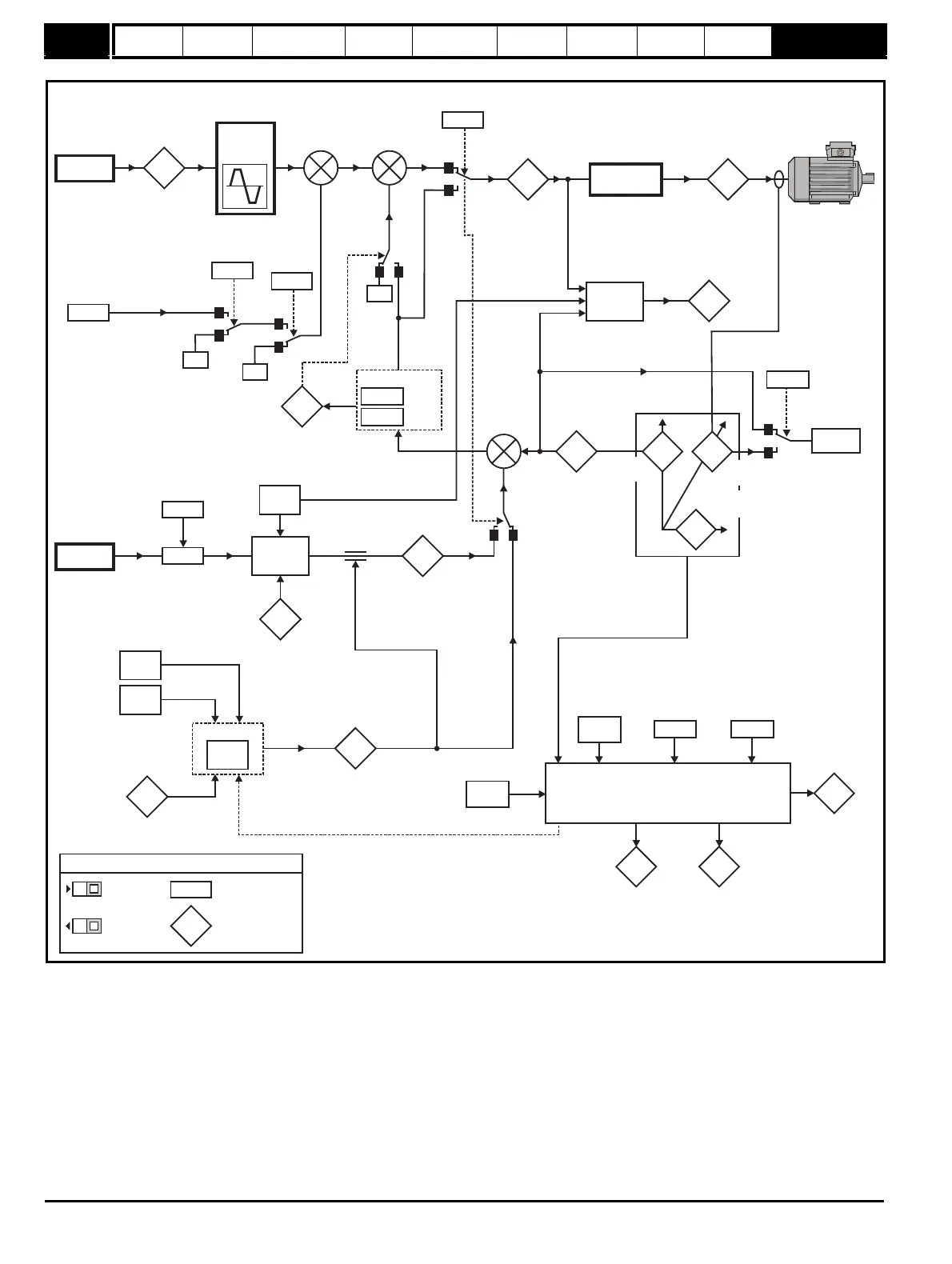
Figure 10-12 Menu 4 logic diagram
Menu 1
1.03
Pre-ramp
reference
Menu 2
Ramp
control
0
1
0Hz
0
1
0Hz
3.23
Hard
frequency
selector
1.11
Reference
enabled
3.22
Hard
frequency
reference
0
1
2.01
Post-ramp
reference
Menu 5
Motor map
5.01
Motor
frequency
4.11
Torque mode
select
0 1
0Hz
4.13
4.14
P gain
I gain
Current loop
10.09
Current
limit active
Menu 7
4.08
Torque
reference
4.24
User current
maximum
scaling
Torque to
current
conversion
5.06
(21.06)
Motor rated
frequency
4.04
Current
demand
01
4.17
4.20
Percentage
load
Current to
torque
conversion
4.26
Percentage
torque
Active
current
4.02
Current
magnitude
4.01
Magnetising
current
1
0
Display
Current limit
4.07
(21.29)
5.07
(21.07)
Motor rated
current
5.10
(21.10)
Rated power
factor
11.32
Maximum heavy
duty drive
current rating
5.01
Motor
frequency
4.18
Over-riding
current limit
10.08
4.15
(21.16)
4.16
Motor thermal
time constant
Motor protection
mode
At 100%
load
indicator
10.17
4.19
Motor
overload
accumulator
Motor current
overload alarm
indicator
4.25
Low speed
protection mode
Overload detection
5.07
(21.07)
Motor rated
current
XX
XX
Key
Read-write (RW)
parameter
Read-only (RO)
parameter
Input
terminals
Output
terminals
XX
XX
4.21
Load
display units
_
+

Table of Contents

Related product manuals