EasyManua.ls Logo

Emerson unidrive m200 - Page 62

Emerson unidrive m200
62 pages
To Previous Page IconTo Previous Page
To Previous Page IconTo Previous Page
Loading...
0478-0038-06
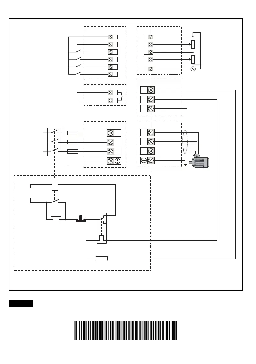
On the size 2 110 V drives or when connecting single phase to a dual rated 200 V unit, the supply
should be connected to L1 and L3.
Drive enable
9
10
11
12
Zero frequency
Run forward
13
Run reverse
14
Digital I/O
Analog input 1/
Analog input 2 select
U
BR
+
_
V
W
DC bus/Brake
Motor
L1
L2
L3
1 ph/3 ph
AC power
supply
AC supply
Digital Input 2
24 V user
Digital I/O1
Digital input 3
Digital input 4
Digital input 5
41
42
Drive ok
Relay 1
1
2
0V
Analog I/O
Analog input 1+
7
Analog output 1
4
10 V user
5
Analog input 2
Frequency
reference 1
Frequency
reference 2
Frequency output
Stop
Start
/
Reset
Thermal
protection
device
Braking resistor
Main contactor
power supply
Optional
NOTE
Unidrive M200 201 Quick Start Guide English Iss6.book Page 62 Thursday, September 10, 2015 1:48 PM

Other manuals for Emerson unidrive m200

Related product manuals