EasyManua.ls Logo

Emerson unidrive m300 - Page 28

Emerson unidrive m300
58 pages
To Next Page IconTo Next Page
To Next Page IconTo Next Page
To Previous Page IconTo Previous Page
To Previous Page IconTo Previous Page
Loading...
28 Unidrive M300/HS30 Quick Start Guide
Issue Number: 6
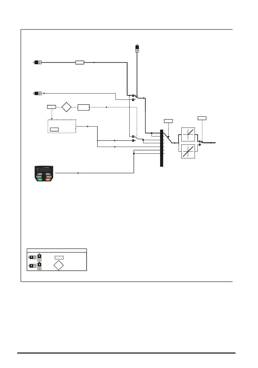
Figure 6-1 Menu 0 logic diagram
2
5
Analog reference
Keypad reference
00.XXX
00.XXX
Key
Read-write
(RW)
parameter
Read-only
(RO)
parameter
Input
terminals
Output
terminals
X
X
X
X
The parameters are all shown in their default settings
00.018
Preset
Reference 1
Preset frequency
reference
14
0
5
00.017
Bipolar
Analog input 1
Analog input
1 mode
Analog input 1/
input 2 select
Analog input 2
Reference
Enable
AV
Pr
Pad
Pad.Ref
E. Pot
tor
Pid
6
7
8
9
01.015
00.016
Pr
set
01.050
>
1
01.050
00.005
Drive
Configuration
AI
AV.Pr
AI.Pr
1
2
3
4
Unidrive M300 Quick Start Guide English Iss6.book Page 28 Tuesday, September 22, 2015 3:21 PM

Other manuals for Emerson unidrive m300

Related product manuals