EasyManua.ls Logo

EMERYMARK EMP 200 - Page 72

Default Icon
Print Icon
To Next Page IconTo Next Page
To Next Page IconTo Next Page
To Previous Page IconTo Previous Page
To Previous Page IconTo Previous Page
Loading...
Operation Manual EMP
www.emerymark.com
72
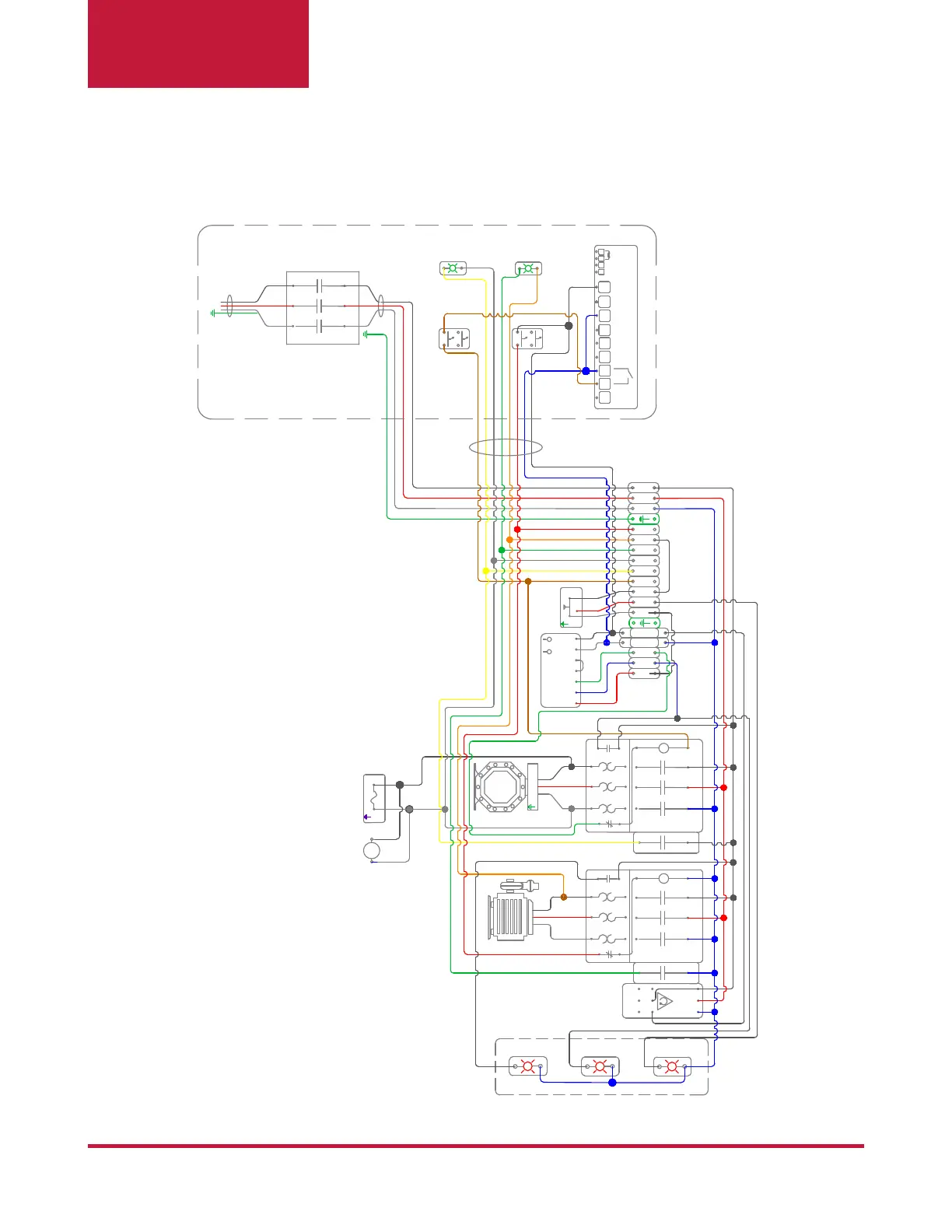
EMP-200 and EMP-500 air and water three-phase
Dibujo:
Reviso:
DIAGRAMA ELECTRICO EMP-200 & EMP 500 DE AIRE & AGUA
PAG. 1 DE 1.
NOTAS:
220 VAC-60 Hz-TRIFASICA
PROHIBIDO SU USO O FOTOCOPIADO TOTAL O PARCIAL.
RICARDO JIMENEZ
A1
A2
97
98
96
95
1L1
2T1
3L2
4T2
5L3
6T3
211
412
613
K1
13
14
A1
A2
97
98
96
95
1L1
2T1
3L2
4T2
5L3
6T3
211
412
613
K1
13
14
12
13 14
11
10
9
2
1
Sensor
0 115 220
3
4
V
X1
X2
X3
X4
MT-512E 2HP /I3
TERMOSTATO DIGITAL
3
4
COMPRESOR
FOCO
BOMBA
4
3
15 16 17
CWB25CWB32
X
X1
X2
Y
X1
X2
Z
X1
X2
1L1
2T1
3L2
4T2
5L3
6T3
SECCIONADOR 40AMP
A
A
C1
C2
C3
C4
C5
C6
C7
C8
C9
C13
L1
L3
MONITOR
FASES
C
BOTONERA
L1
L2
L3
A
C
B
PRESOSTATO
ALTA Y BAJA
FUSE 3A
FUSE 3A
C12
L2
22
24
21
12
14
11
L1
L2L3
SE-B3
CAJA CONEXIONES
COMPRESOR
L1 L2 B1 B2 14 12 11
PTC
OR
OR
CAJA CONEXIONES
COMPRESOR
BOMBA
C13
V1
L1
L2
EN CASO DE MAQUINA DE AGUA CABLES QUE VAN HACIA EL
VENTILADOR SE ELIMINAN.
ALARMAS
PRESION
AMPERAJE
COMPRESOR
AMPERAJE
BOMBA
FOCO
COMPRESOR
V
BOMBA