EasyManua.ls Logo

Emos H2017 - Page 2

Emos H2017
40 pages
Print Icon
To Next Page IconTo Next Page
To Next Page IconTo Next Page
To Previous Page IconTo Previous Page
To Previous Page IconTo Previous Page
Loading...
2
1
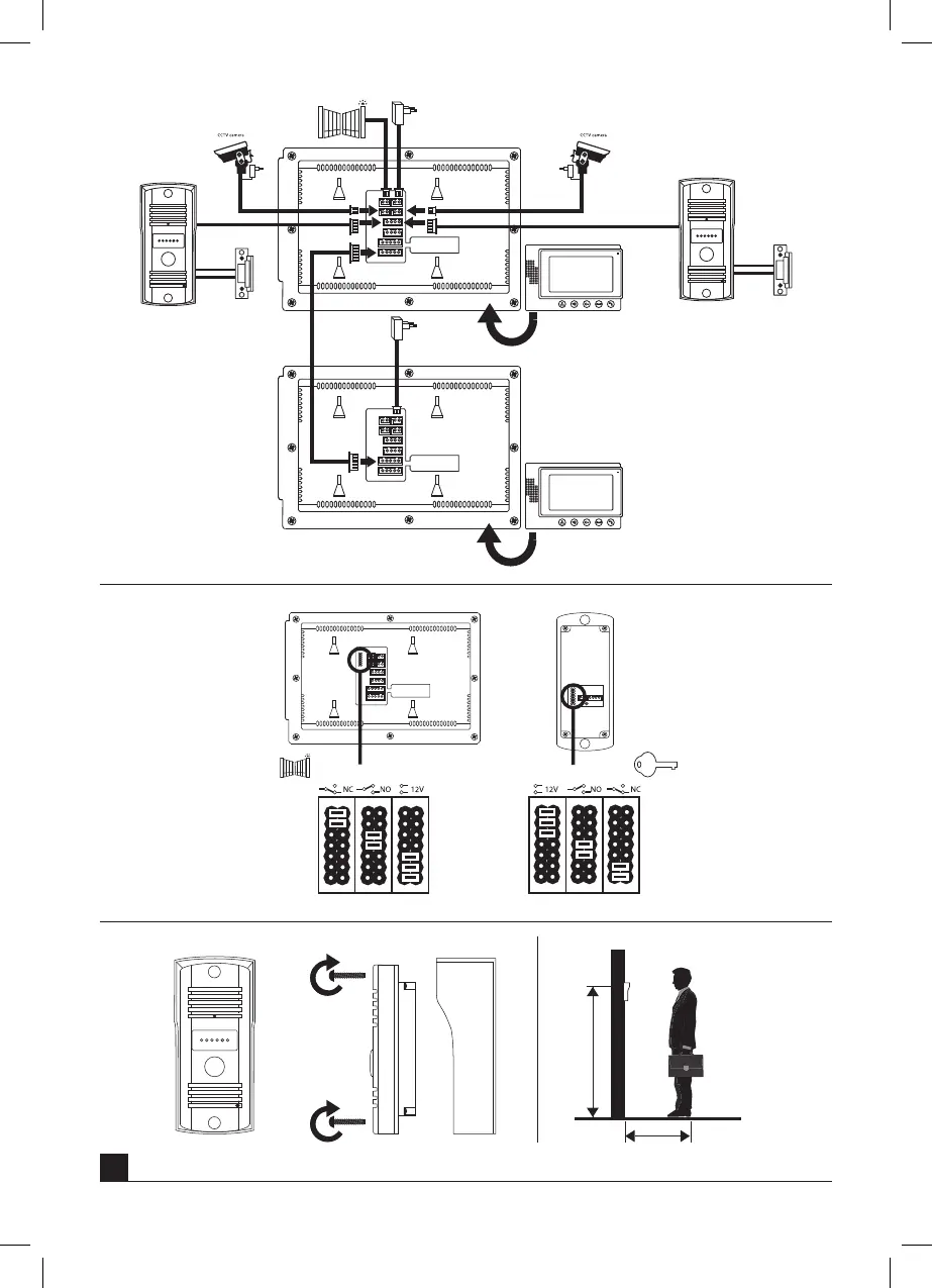
140–170 cm
40 cm

Related product manuals