EasyManua.ls Logo

Emos T15RF - Page 20

Emos T15RF
96 pages
Print Icon
To Next Page IconTo Next Page
To Next Page IconTo Next Page
To Previous Page IconTo Previous Page
To Previous Page IconTo Previous Page
Loading...
20
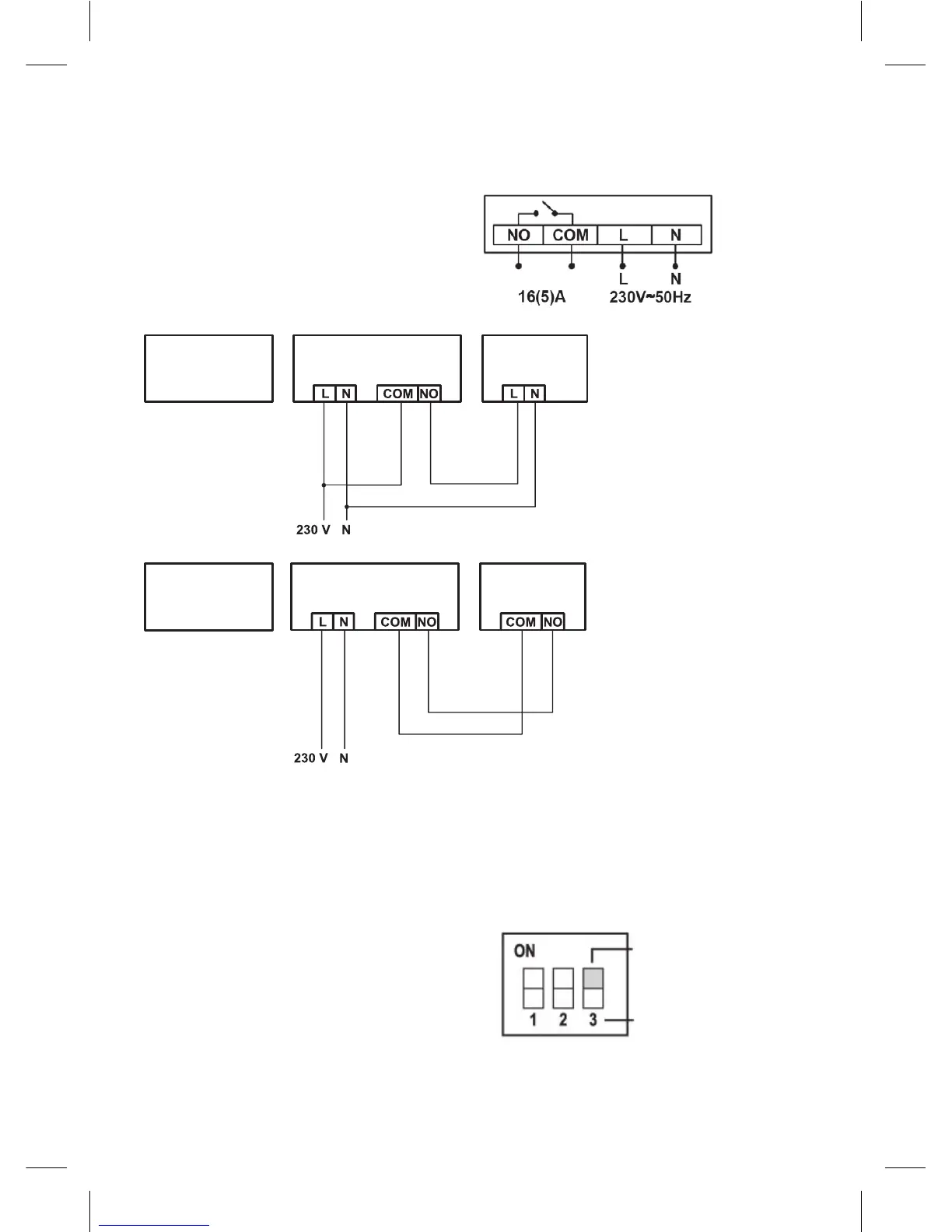
Schéma zapojenia
Termostat T15RF je možné používať s akýmkoľvek jednostupňovým vykurovacím či klimatizačným
systémom.
NO spínaný kontakt
COM kontakt spínača
L pripojenie napájania 230 V AC
N nulovací vodič
Schéma zapojenia pre použitie 230 V AC/50 Hz
ovládacia
jednotka
spínacia jednotka
vykurovacie
zariadenie
Schéma zapojenia pre beznapäťové spínanie
ovládacia
jednotka
spínacia jednotka
vykurovacie
zariadenie
Montáž ovládacej jednotky (ak nechcete využiť mobilitu jednotky)
1. Zložte zadný kryt ovládacej jednotky.
2. Označte pozície dier pre zadný kryt.
3. Vyvŕtajte dve diery a opatrne do nich vložte plastové hmoždinky a zarovnajte ich so stenou.
4. Zadný kryt ovládacej jednotky bezpečne upevnite dvoma skrutkami.
5. Inštaláciu dokončite nasadením spínacej jednotky na prichytenú zadnú časť krytu.
Voľba vykurovacieho/klimatizačného systému
1. Zložte zadný kryt ovládacej jednotky - na doske
plošných spojov sa nachádzajú 3 DIP prepínače.
Tieto 3 prepínače sa používajú na nastavenie
rozptylu teploty a prepínanie vykurovacieho/
klimatizačného systému.
2. Nastavte DIP prepínač (pozícia 3) v závislosti na va-
šej voľbe vykurovacieho či klimatizačného systému,
ako je znázornené na nasledujúcom obrázku.
ON – vykurovanie
OFF – klimatizácia
Prepínač č. 3

Related product manuals