EasyManua.ls Logo

Emos T15RF - Page 36

Emos T15RF
96 pages
Print Icon
To Next Page IconTo Next Page
To Next Page IconTo Next Page
To Previous Page IconTo Previous Page
To Previous Page IconTo Previous Page
Loading...
36
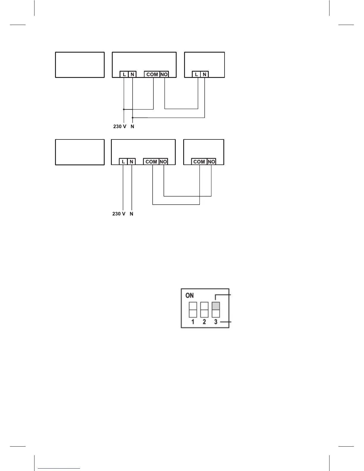
Bekötési ábra 230 V AC/50 Hz áramhoz
szabályzóegység
kapcsolóegység
hőszabályzó
berendezés
Bekötési ábra feszültségmentes bekötéshez
szabályzóegység
kapcsolóegység
hőszabályzó
berendezés
A szabályzóegység beszerelése (ha nem kívánja kihasználni az egység hordozha-
tóságát)
1. Vegye le a szabályzóegység hátsó burkolatát.
2. Jelölje meg a falon a lyukak helyét.
3. Fúrjon a falon két lyukat, tegyen a lyukakba műanyag tiplit.
4. Két csavarral rögzítse a falra a szabályzóegység hátlapját.
5. A beszerelés végén helyezze rá a szabályzóegységet a falra szerelt hátlapra.
A fűtő-/légkondicionáló berendezés kiválasztása
1. Vegye le a szabályzóegység hátsó burkola-
tát - 3 db DIP kapcsolót talál a nyomtatott
áramkörön. Ez a 3 kapcsoló a hiszterézis
beállítására szolgál, illetve ezekkel lehet vál-
tani fűtő- és légkondicionáló berendezések
között.
2. Állítsa a DIP kapcsolót (3. helyzet) a kívánt
fűtő-vagy légkondicionáló rendszernek
megfelelő állásba az alábbi ábrának megfe-
lelően.
ON (BE) – fűtés
OFF (KI) – légkondicionálás
3. kapcsoló
A hiszterézis beállítása
A hiszterézis az a hőmérséklet-különbség, amelynél a termosztát be- illetve kikapcsol. Például, ha Ön
a fűtőberendezés hőmérsékletét 20°C-ra állítja be, és a hiszterézis 0,8°C, a fűtés akkor kapcsol be, ha
a helyiség hőmérséklete 19,2°C-ra zuhan, illetve akkor kapcsol ki, ha a hőmérséklet eléri a 20,8°C-ot.
Állítsa a DIP kapcsolókat (1. és 2. pozíció) a kívánt tűréshatárnak megfelelően az alábbi ábra alapján.

Related product manuals