EasyManua.ls Logo

Emos T15RF - Page 44

Emos T15RF
96 pages
Print Icon
To Next Page IconTo Next Page
To Next Page IconTo Next Page
To Previous Page IconTo Previous Page
To Previous Page IconTo Previous Page
Loading...
44
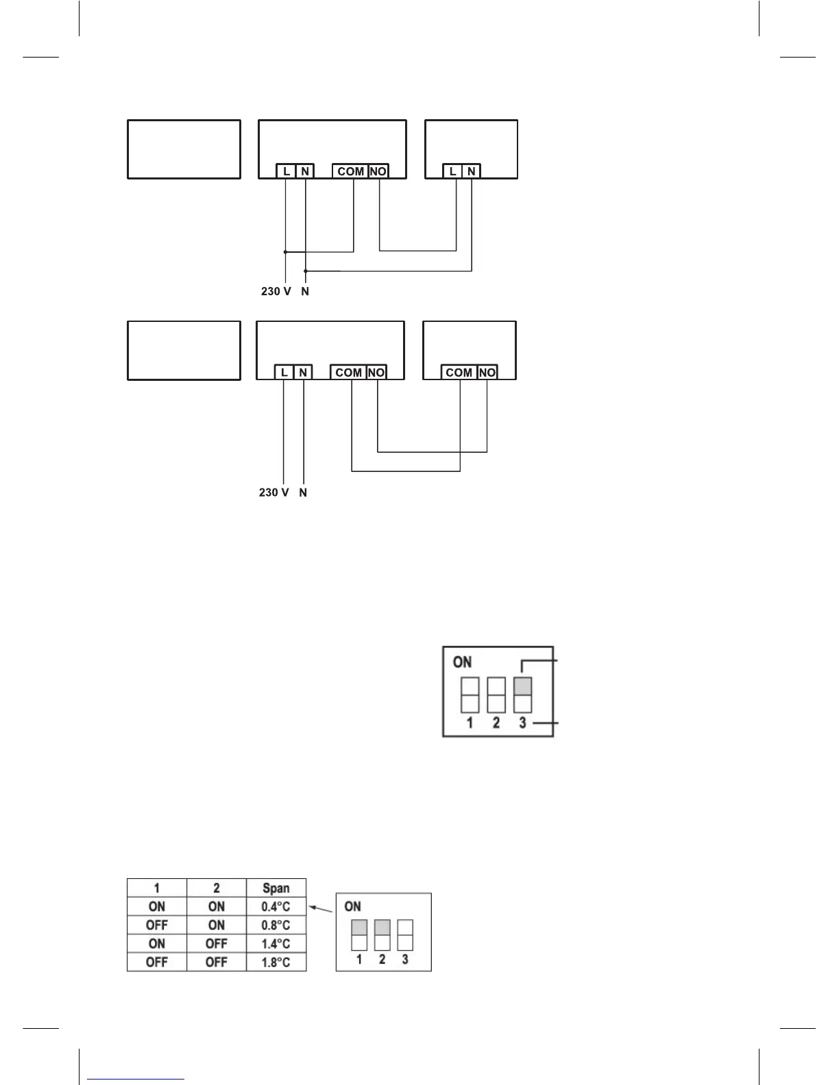
Shema priključitve za uporabo 230 V AC/50 Hz
upravljalna
enota
stikalna enota
grelna
naprava
Shema priključitve za breznapetostno stikanje
upravljalna
enota
stikalna enota
grelna
naprava
Montaža upravljalne enote (če ne želite koristiti mobilnosti enote)
1. Snemite zadnji pokrov upravljalne enote.
2. Označite položaj odprtin za zadnji pokrov.
3. Izvrtajte dve luknji in v njiju previdno vstavite plastična zidna vložka ter ju zravnajte s steno.
4. Zadnji pokrov upravljalne enote varno pritrdite z dvema vijakoma.
5. Namestitev dokončajte s nataknitvijo upravljalne enote na pritrjen zadnji del pokrova.
Izbira ogrevalnega/klimatizacijskega sistema
1. Snemite zadnji pokrov upravljalne enote – na ploš-
či s tiskanim vezjem se nahajajo 3 DIP preklopna
stikala. Ta 3 preklopna stikala se uporabljajo za
nastavitev razpona temperature in preklapljanja
ogrevalnega/klimatizacijskega sistema.
2. DIP preklopno stikalo nastavite (položaj 3) v
odvisnosti od vaše izbire ogrevalnega ali klimatiza-
cijskega sistema, kot je prikazano na naslednji sliki.
ON – ogrevanje
OFF – klimatizacija
Preklopno stikalo št. 3
Izbira razpona temperature
Razpon je temperaturna razlika med temperaturo pri vklopu in izklopu. Če na primer temperaturo
v ogrevalnem sistemu nastavite na 20°C in razpon na 0,8°C, grelnik začne delat, kadar sobna tem-
peratura pade na 19,2°C in se izklopi, kadar temperatura zraste na 20,8°C. DIP preklopna stikala
nastavite (položaja 1 in 2) po svoji izbiri razpona temperature, kot je prikazano na naslednji sliki.

Related product manuals