EasyManua.ls Logo

Empire Heating Systems DV-35-2SG - Clearances and Mounting; Required Installation Clearances; Wall Opening and Bracket Installation

Empire Heating Systems DV-35-2SG
20 pages
Print Icon
To Next Page IconTo Next Page
To Next Page IconTo Next Page
To Previous Page IconTo Previous Page
To Previous Page IconTo Previous Page
Loading...
12434-9-0107Page 8
DV-25-2 SHOWN
UNIT IS SUPPORTED
BY WALL BRACKET
4 ½”(114mm)MIN. WALL DV-25, DV-35
13” (330mm) MAX. WALL DV-25, DV-35
MOUNTING PLATE
(CAULK UNDER FLANGE)
VENT CAP
FLUE OUTLET TUBE EXTENDS
2 ½”(64mm) BEYOND WALL
AIR INLET TUBE EXTENDS
½”(13mm) BEYOND
WALL
OUTSIDE
WALL
UNIT FASTENED TO WALL
WITH (2) SCREWS
4”
102mm
4”
102m
m
1. In selecting a location for installation, it is necessary to provide
adequate accessibility clearances for servicing and proper
installation.
2. Unit is supported by a wall bracket secured to the wall.
3. The minimum clearances from casing to combustible construction
is 48" (121cm) on top, 6" (152mm) on each side and 4" (102mm)
from the floor or from the top surface of carpeting, tile or other
floor covering and 0" (0mm) to rear wall.
4. The minimum distance from the center of the vent cap to the
nearest outside corner or obstruction is 24" (610mm).
5. The DV-25 and DV-35 minimum wall depth is 4 1/2" (114mm)
(and the maximum is 13" (330mm). The use of tubes not supplied
by the manufacturer results in unsatisfactory performance.
The vent terminal of a direct vent appliance, with an input of 50,000
(14.6 KW) BTU per hour or less shall be located at least 9" (229mm)
from any opening through which flue gases could enter a building.
The bottom of the vent terminal and the air intake shall be located
at least 12" (305mm) above grade.
WARNING: The nearest point of the vent cap should be a
minimum horizontal distant of six (6) (1.83m) feet from any
pressure regulator. In case of regulator malfunction, the six
(6) (1.83m) feet distance will reduce the chance of gas entering
the vent cap.
Location of Furnace
Pick a location on an outside wall with a clear space of 28" (711mm)
high by 49" (124cm) wide in the room.
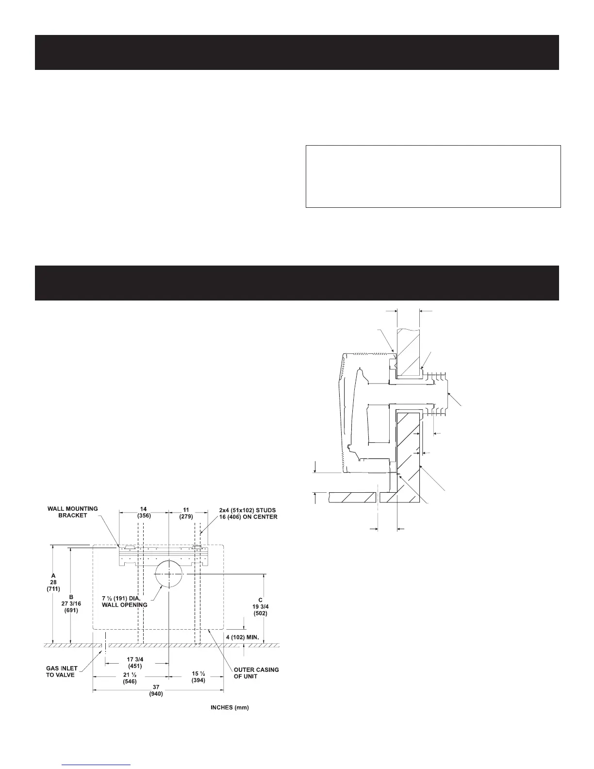
Locating Wall Opening
The furnace is to be located on an outside wall. Locate wall studs
so that wall opening will be located between wall studs. The wall
studs can be used for attachment of wall mounting bracket. The
wall opening required as shown in Figure 3 is a diameter of 7 1/2
inches (191mm).
A template is provided in furnace carton for positioning furnace
on the wall. Also, refer to Figure 3 for positioning the furnace on
wall and for locating gas line connection.
Figure 3 will position the furnace four inches (102mm) off the floor.
If it is desired to position the furnace higher on the wall, add the
difference to the "A," "B" and "C" dimensions.
Note: The vent opening is not in the center of the furnace.
Figure 3
Figure 4
Installing Wall Mounting Bracket
Locate and cut wall opening. If there is insulation above the wall
opening (air inlet tube) a barrier should be installed above the wall
opening (air inlet tube) to prevent insulation from coming in contact
with the air inlet tube. The barrier must not penetrate into the 7
1/2" (191mm) diameter wall opening. Place the flat surface of the
wall mounting bracket toward the wall. Insert half round flange of
wall mounting bracket into and at the top of the wall opening. The
half round flange of the wall mounting bracket must be in contact
with the sheetrock or wood at the top of the wall opening. Level
the wall mounting bracket in the wall opening.
CLEARANCES
INSTALLATION INSTRUCTIONS

Related product manuals