EasyManua.ls Logo

ENDEVCO 133 - Page 9

Default Icon
29 pages
Print Icon
To Next Page IconTo Next Page
To Next Page IconTo Next Page
To Previous Page IconTo Previous Page
To Previous Page IconTo Previous Page
Loading...
ENDEVCO www.endevco.com Tel: +1 (866) ENDEVCO [+1 (866) 363-3826]
IM133, Page
9
®
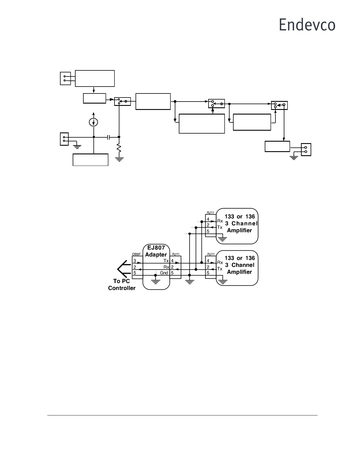
Figure 4
Figure 4 is the Model 133 block diagram.
Figure 5
Figure 5 is the block diagram for the RJ-11 RS-232 computer control connector.
0, 4, or
10 mA
24 VDC
Charge Converter
(0.303 mV/pC)
10-32 Connector
BNC
Programmable
Gain: 0 to 100
Fault Detector
10 Hz 4-pole
High-Pass Filter
4-pole Butterworth
Low-Pass Filter
BNC
Gain = 3
Gain: 1, 10

Related product manuals