EasyManua.ls Logo

Endress+Hauser Soliphant M FTM51 - Page 27

Endress+Hauser Soliphant M FTM51
76 pages
To Next Page IconTo Next Page
To Next Page IconTo Next Page
To Previous Page IconTo Previous Page
To Previous Page IconTo Previous Page
Loading...
Endress+Hauser 27
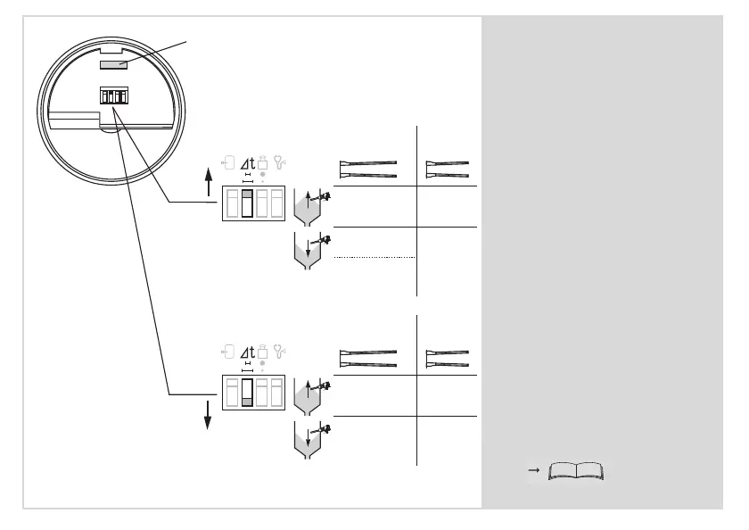
0.5 s
5.0 s
155 mm
(6.1in)
155 mm
(6.1in)
0.5 s
5.0 s
100 mm
(3.94 in)
100 mm
(3.94 in)
150 °C (300 °F):
1.5 s
230 °C (450 °F),
280 °C (540 °F):
2 s
5.0 s
1.0 s
5.0 s
MAX
MIN
ON
OFF
MAX
MIN
ON
OFF
ON
OFF
FEM ,FEM ,FEM ,FEM ,FEM51 52 54 55 58
de -
Schaltverzögerung
en -
Switching delay
fr -
Temporisation de la commutation
es -
Retraso en la conmutación
it -
Tempo di commutazione
nl -
Schakelvertraging
"
SIL2:
73

Other manuals for Endress+Hauser Soliphant M FTM51

Related product manuals