EasyManua.ls Logo

Energetic CT 610 ERGOMETER - Page 32

Energetic CT 610 ERGOMETER
67 pages
Print Icon
To Next Page IconTo Next Page
To Next Page IconTo Next Page
To Previous Page IconTo Previous Page
To Previous Page IconTo Previous Page
Loading...
32
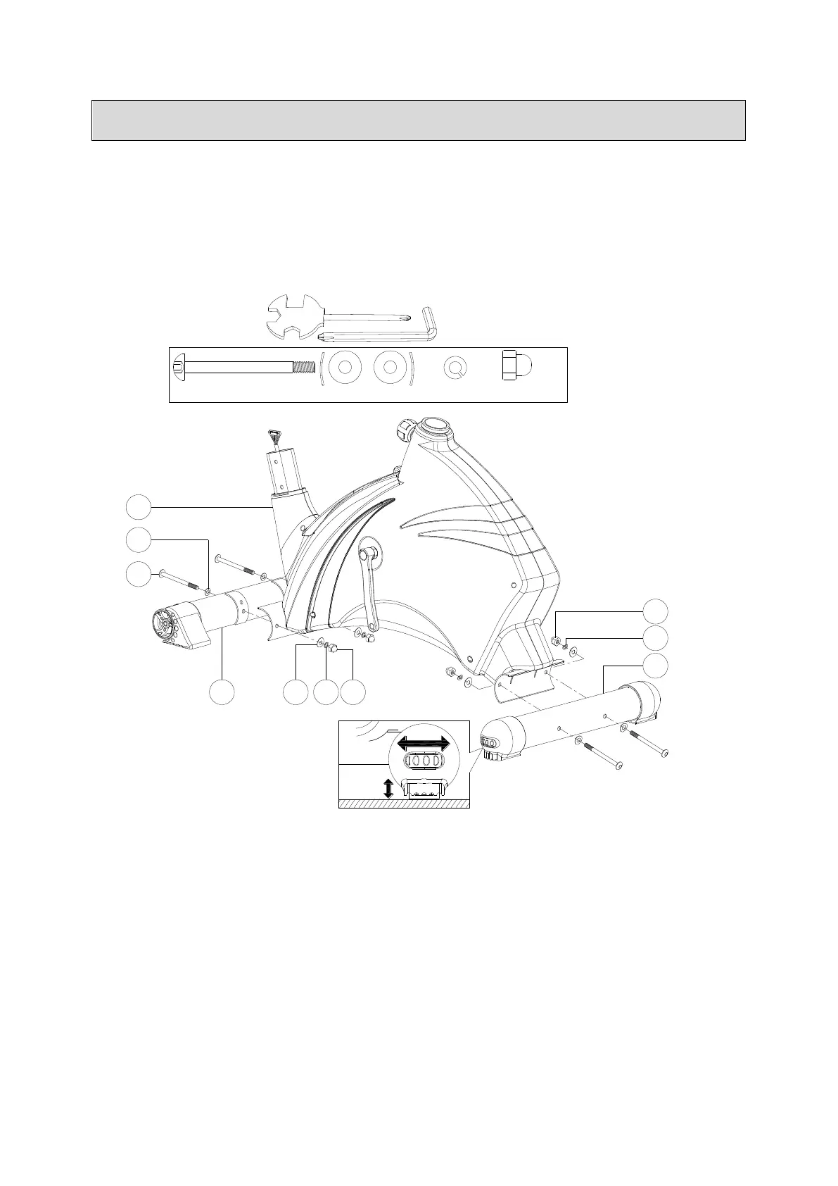
Montážní návod
2
6
51
13
7
4
51
1
Step-1
6
13
A
(x4)
M8*15L
D15.4
D22
M8*95L
D22