EasyManua.ls Logo

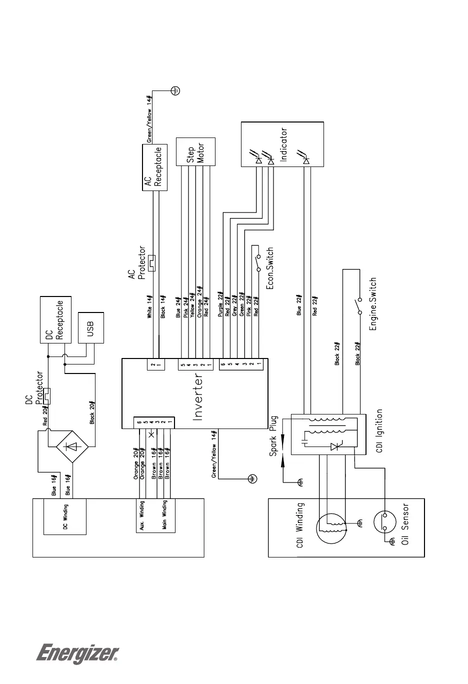
Energizer eZV2000S - 11. Wiring Diagram

Energizer eZV2000S
48 pages
Print Icon
To Next Page IconTo Next Page
To Next Page IconTo Next Page
To Previous Page IconTo Previous Page
To Previous Page IconTo Previous Page
Loading...
33
+
-
Working
Overload
Low oil
Magnetor
11. WIRING DIAGRAM

Related product manuals