EasyManua.ls Logo

Enertech Bentone B60-2FH - Page 9

Enertech Bentone B60-2FH
20 pages
Print Icon
To Next Page IconTo Next Page
To Next Page IconTo Next Page
To Previous Page IconTo Previous Page
To Previous Page IconTo Previous Page
Loading...
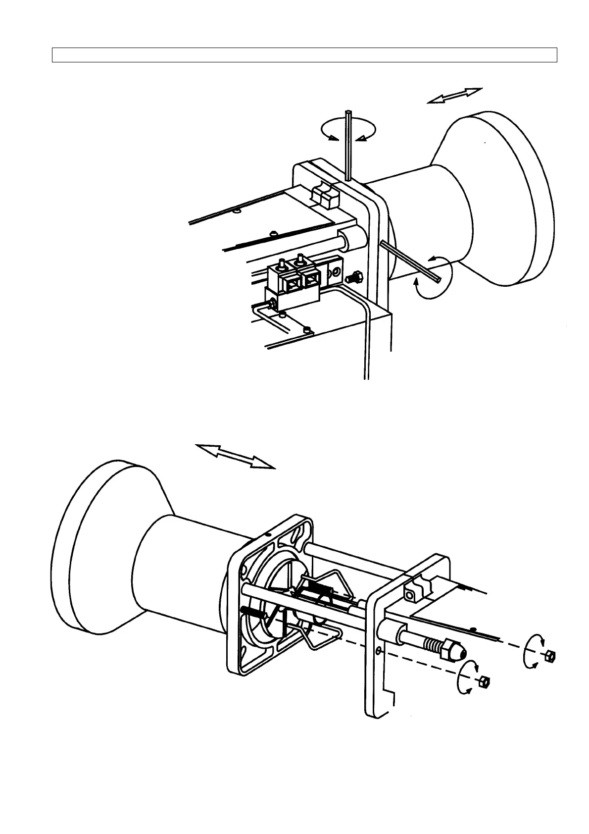
MAINTENANCE OF OIL BURNER
Warning: Before doing any service switch off power at the main switch and cut off the oil supply.
171 305 65 01-01
SERVICE OF BURNER HEAD
(alt. A)
SERVICE OF BURNER HEAD
(alt. B)
NOTE!
For maintenance of the brake plate,
nozzles, electrodes etc, when using a
long design of the burner tube, you
have to remove the nozzle assembly
from the connecting pipe and move
the assembly backwards in the fan
housing (from the boiler).

Related product manuals