EasyManua.ls Logo

EQUIPRITE 5100790 - Piezas de Repuesto

Default Icon
16 pages
Print Icon
To Next Page IconTo Next Page
To Next Page IconTo Next Page
To Previous Page IconTo Previous Page
To Previous Page IconTo Previous Page
Loading...
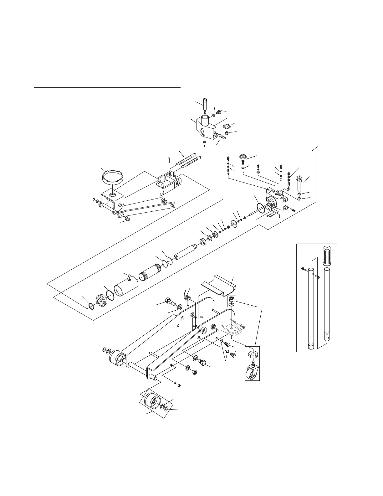
Figura 2 - Repuesto para Ilustración de los modelo 5100790
14
Repuesto para Ilustración de los modelo 5100790
9
10
11
12
13
25
a
b
b
c
c
d
e
f
g
h
i
k
j
l
n
m
o
1
2
3
4
5
6
7
8
a
n
m
22
16
18
21
19
20
23
15
14
24
16
17
18a
PIEZAS DE REPUESTO
No todos los componentes de el gato son elementos de reemplazo. Al pedir piezas, de el número de modelo, número
de serie y descripción de las partes. Llame o escriba para los precios actuales:
Fastenal, 4730 Service Dr., Winona, MN 55987, U.S.A. O contacte su representante con Fastenal o visite www.
fastenal.com para localizar la tienda más cercana a usted