EasyManua.ls Logo

EQUIPRITE 5100790 - REPLACEMENT PARTS

Default Icon
16 pages
Print Icon
To Next Page IconTo Next Page
To Next Page IconTo Next Page
To Previous Page IconTo Previous Page
To Previous Page IconTo Previous Page
Loading...
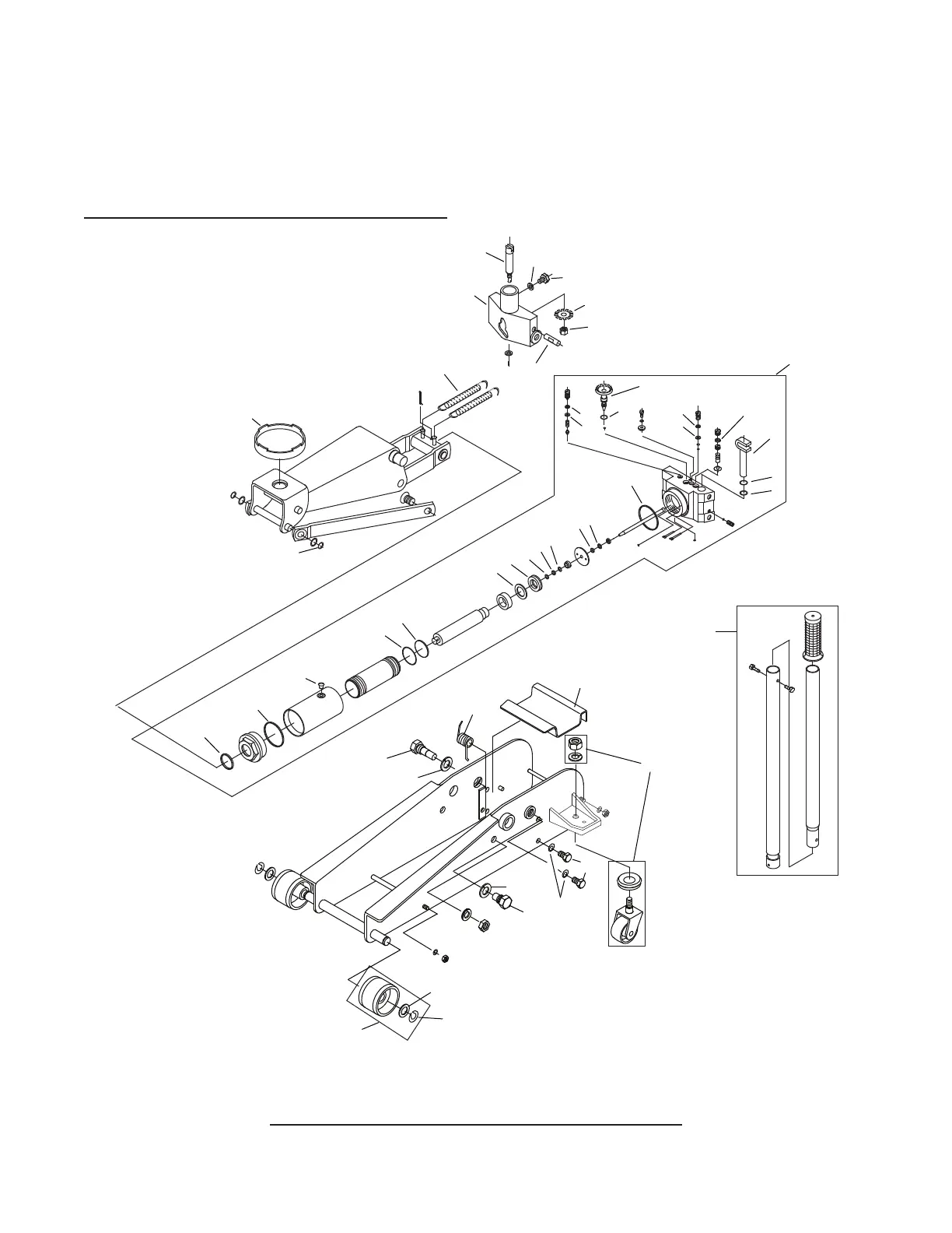
Figure 2 - Replacement Parts Illustration for Model 5100790
6
Replacement Parts Illustration for Model 5100790
9
10
11
12
13
25
a
b
b
c
c
d
e
f
g
h
i
k
j
l
n
m
o
1
2
3
4
5
6
7
8
a
n
m
22
16
18
21
19
20
23
15
14
24
16
17
18a
REPLACEMENT PARTS
(refer to page 6 & 7)
Not all components of the jack are replacement items. When ordering parts, give Model number, serial number and
parts description. Call or write for current pricing: Fastenal, 4730 Service Dr., Winona, MN 55987, U.S.A. Or contact
your local Fastenal Representative or visit www.fastenal.com to locate your nearest store.