EasyManua.ls Logo

ESAB LAF 1601 - Diagram

ESAB LAF 1601
20 pages
Print Icon
To Next Page IconTo Next Page
To Next Page IconTo Next Page
To Previous Page IconTo Previous Page
To Previous Page IconTo Previous Page
Loading...
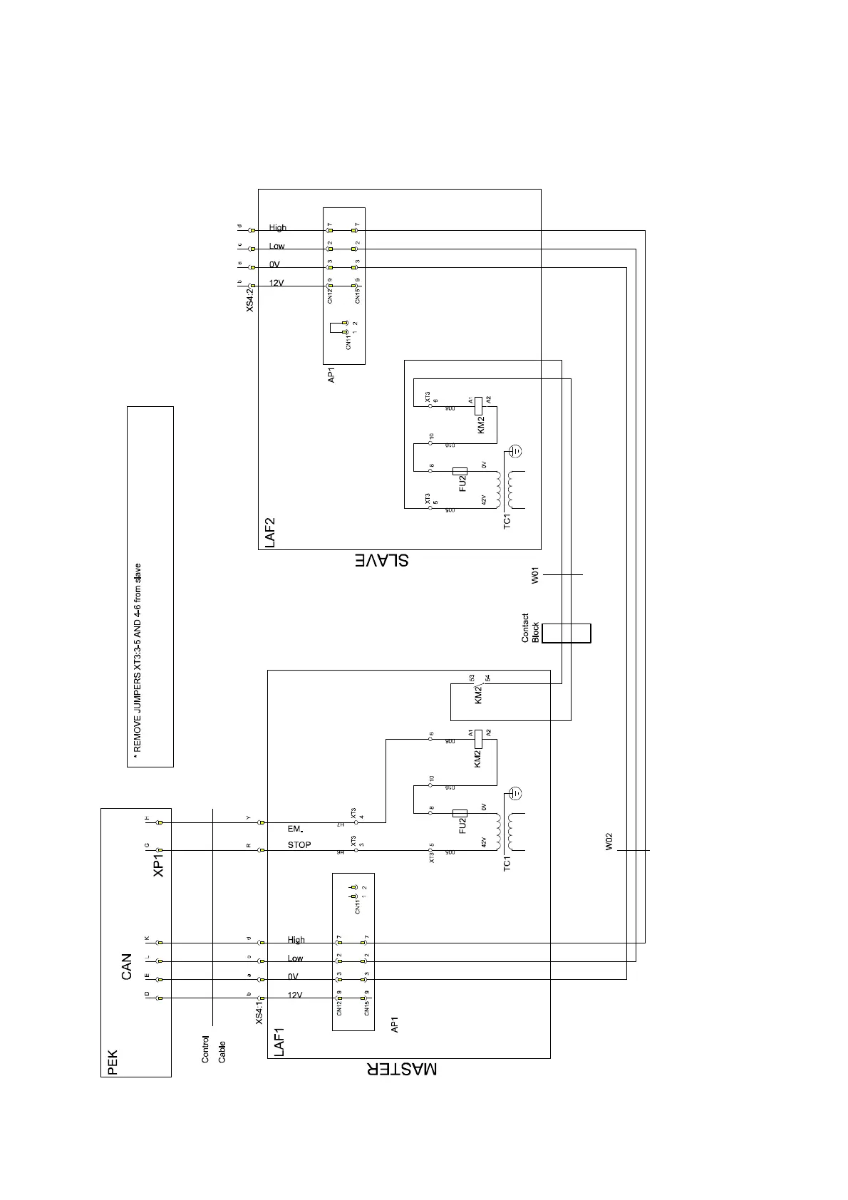
DIAGRAM
-14-
hga7diag
Tractor variant

Related product manuals