EasyManua.ls Logo

Eutectic+Castolin TotalARC 2 4000 - Page 133

Default Icon
Print Icon
To Next Page IconTo Next Page
To Next Page IconTo Next Page
To Previous Page IconTo Previous Page
To Previous Page IconTo Previous Page
Loading...
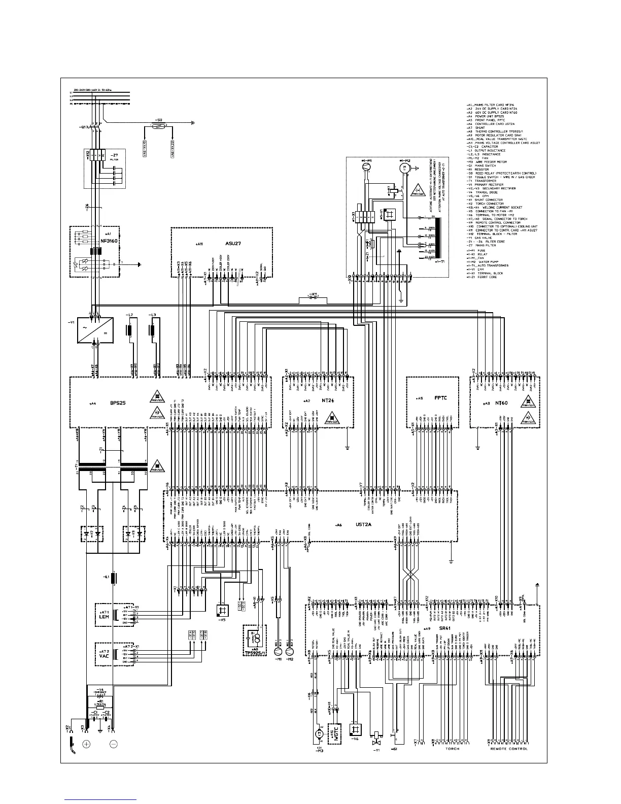
TotalArc² 3000 Dual Voltage

Related product manuals