EasyManua.ls Logo

Everlast ev-700 - Exploded Drawing

Everlast ev-700
24 pages
Print Icon
To Next Page IconTo Next Page
To Next Page IconTo Next Page
To Previous Page IconTo Previous Page
To Previous Page IconTo Previous Page
Loading...
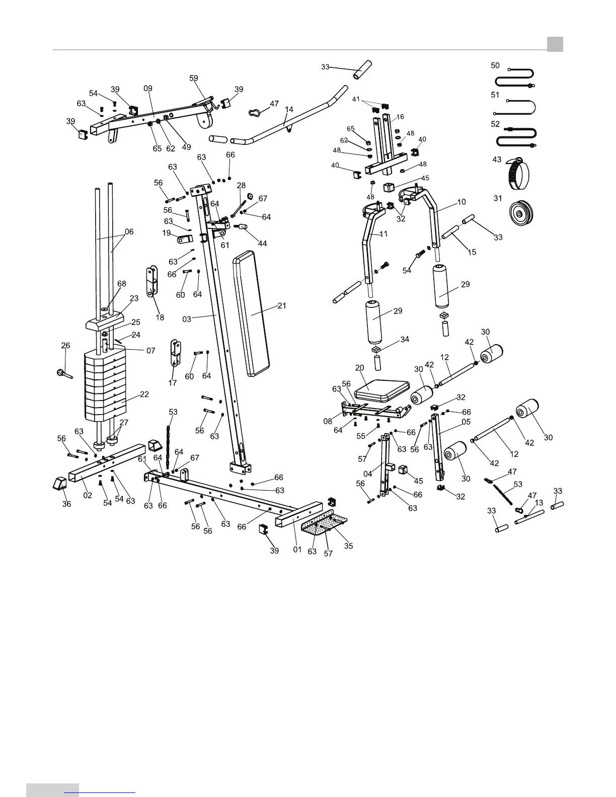
EXPLODED DRAWING
22
HOME GYM
HELP LINE NUMBER: 08456 400800
ev-700

Related product manuals