EasyManua.ls Logo

Fagor DDS RPS-75 - Page 348

Fagor DDS RPS-75
406 pages
Print Icon
To Next Page IconTo Next Page
To Next Page IconTo Next Page
To Previous Page IconTo Previous Page
To Previous Page IconTo Previous Page
Loading...
Connection diagrams
10.
358
Ref.1912
DDS
HARDWARE
· 348 ·
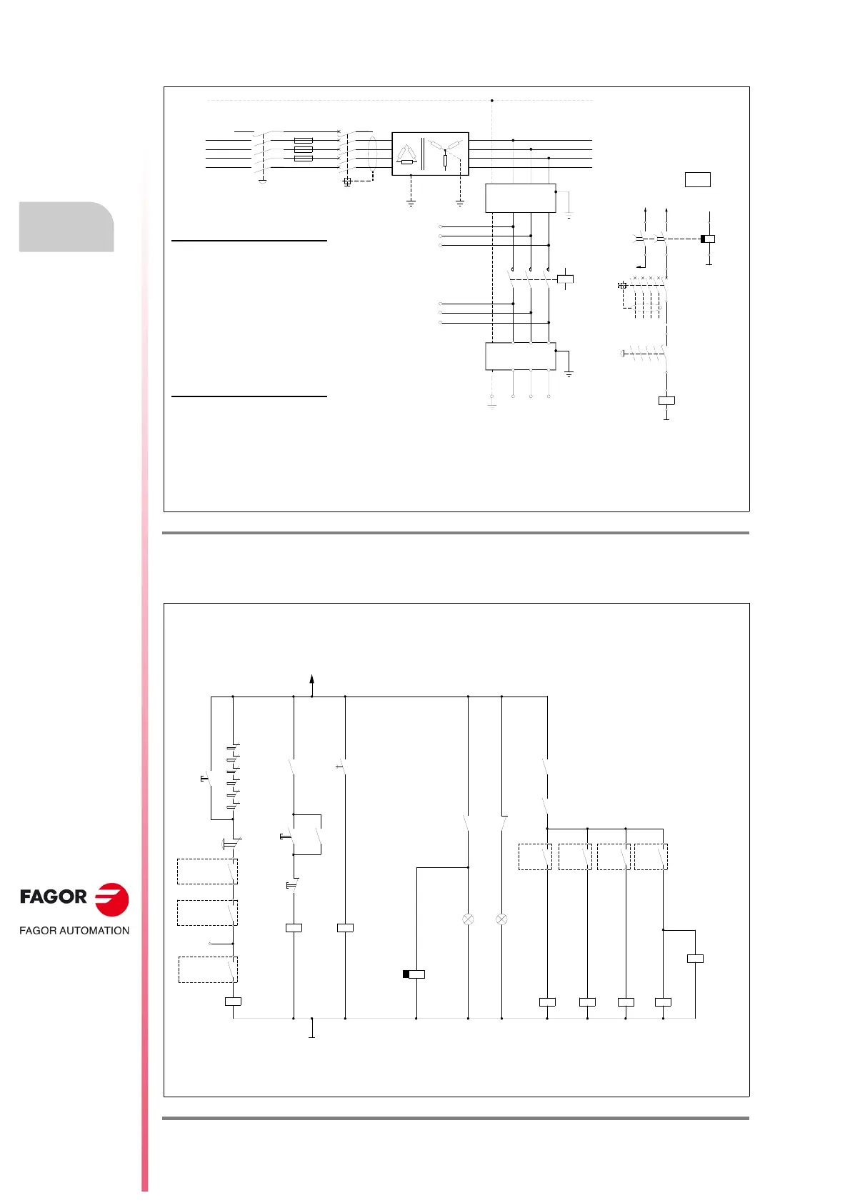
Diagram for general connection to mains
Diagram of the maneuver
F. H10/20
System with a RPS power supply. Diagram for general connection to mains.
F. H10/21
System with RPS power supply. Diagram of the maneuver.
MAIN FILTER
A-A
CHOKE RPS-
T1 T2 T3
U1 U2 U3
L2
L3L2L1
TO THE X1
CONNECTOR
TO THE 1 POWER CONNECTOR
3x 400|460 VAC
TO THE 2
CONNECTOR
3x 400|460 VAC
L1
L2
L3
L1
L3
L3
INDUCTANCE
PE
- S1
MECHANICAL
MAIN SWITCH
- F1
- F2
- F3
L1
L2
L3
N
- Q1
DIFFERENTIAL
BREAKER
POWER MAINS
IT A MUST TO USE FUSES
K1
EARLY OPEN
CONTACT
K2
CONTACTOR
- KM1
EARLY OPEN
CONTACT
K1
EARLY
OPEN
CONTACT
K2
GND
- S1
MECHANICAL
MAIN SWITCH
- KM1
GND
- Q1
DIFFERENTIAL
BREAKER
EARLY
OPEN
CONTACT
KA3,2
KA3,1
+24VDC
AT X6.4
PWM ENABLE
+24VDC
OFF DELAY
TIMER
-KA3
OFF DELAY
CONTACT
OFF DELAY
CONTACT
L2
L1
3x 400|460 VAC
3x 400 (1-10%) | 460 (1+10%) VAC
48 Hz ... 62 Hz
Note.
Observe that having the main switch - S1 closed, although the power contactor - KM1 is open, the internal auxiliary
power supply remains connected to the unit through its connector X1 to feed the control circuits of the drive.
see
fig.a
K1. Auxiliary early open contact
Examples:
- Auxiliary contact
GAX11 10EA
of
the GA series of switches and
breakers, Lovato Electric.
- Auxiliary contact
HI11-P1/P3E
061813
applicable to switches and
breakers P1-.../E, .../EA..., .../EZ y
P3-.../E, .../EA, from Moeller.
K2. Auxiliary early open contact
Examples:
- Auxiliary contact
HIV
in automatic
switches NZM 1, 2 or 3 from
Moeller.
fig.a
+24 V DC
KA3,1
KA1
X+
X-
Y+
Y-
Z+
Z-
ON
KA2
OFF
-KA2
-KM1
SYSTEM
SPEED
ENABLE
EMERG.
STOP
RPS
SYSTEM OK
I1 PLC
CNC EMERG.
O1 PLC
-KA1
EMERGENCY LINE
GND
ON OFF
TO SPEED ENABLES
KA1
KA2,3
KA2,1
KA2,2
ON
Green
OFF
Red
DELAY OFF
-KA3
DRIVE
ENABLES
-KA7
-KA4
-KA5
-KA6
BRAKE
CONTROL
BRK
(See GP9)
CNC
ENABLE
S
CNC
ENABLE
X
CNC
ENABLE
Y
CNC
ENABLE
Z
t seconds
(See GP9)
BPM
DRIVE OK
Note.
CNC EMERG. will always be assigned to I1/O1 of the PLC with an 8055/55i CNC. With an 8070 CNC, it may be
assigned to any I/O of the PLC. The contacts associated with relays - KA2, - KA3, - KA4, - KA5, - KA6 and - KA7 are
shown in fig.
F. H10/19
and the contactor - KM1 in fig.
F. H10/20
.
Important.
The relay - KA3 acts simultaneously upon contact KA3,1 to excite the coil of contactor - KM1 and upon the
auxiliary contact KA3,2 (see previous figure) associated with the PWN ENABLE (pin 4 of X6) of the RPS power supply.
Make sure that the time «t» used to program the off-delay of relay - KA3 associated with contacts KA3,1 and KA3,2 is
greater than the braking time (full stop) to permit returning all the excess energy to mains while braking.
Note.
See also auxiliary early
open contacts K1 and K2 in the
previous figure.

Table of Contents

Related product manuals