EasyManua.ls Logo

Fagor DDS XPS-65 - Page 342

Fagor DDS XPS-65
406 pages
Print Icon
To Next Page IconTo Next Page
To Next Page IconTo Next Page
To Previous Page IconTo Previous Page
To Previous Page IconTo Previous Page
Loading...
Connection diagrams
10.
358
Ref.1912
DDS
HARDWARE
· 342 ·
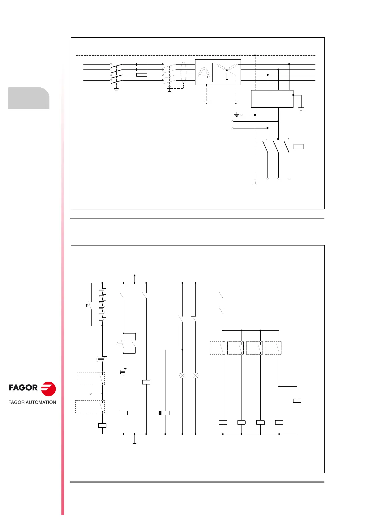
Diagram for general connection to mains
Diagram of the maneuver
F. H10/11
System with a PS-65A power supply. Diagram for general connection to mains.
F. H10/12
System with a PS-65A power supply. Diagram of the maneuver.
PE
- S1
MECHANICAL
MAIN SWITCH
- F3
- F4
- F5
MAIN FILTER 130A-A
L1
L3
L2L1
3x 400-460 VAC
2
x
4
0
0
-
4
6
0
V
A
C
L1
L2
L3
CONTACTOR
- KM1
L2
N
- Q1
DIFFERENTIAL
BREAKER
WARNING. When using an isolating transformer, the secondary must be
connected in star and its middle point must be connected to GND.
POWER MAINS
IT A MUST TO USE FUSES
TO THE POWER CONNECTOR
PS-65A POWER SUPPLY
TO THE X1 CONNECTOR
APS-24 AUXILIARY
POWER SUPPLY
L1
L2
L3
Note.
Observe that having the main key - S1 closed, although the power
contactor - KM1 is open, the external APS-24 auxiliary power supply
remains connected through its connector X1 to feed the control circuits
of the drive.
+24VDC
X+
X-
Y+
Y-
Z+
Z-
KA1
KM1
KA2 KA2
KA2
KA1
CNC
ENABLE
X
CNC
ENABLE
S
CNC
ENABLE
Y
CNC
ENABLE
Z
-KA7
-KA4 -KA5
-KA6
BRAKE
CONTROL
BRK
(See GP9)
EMERG.
STOP
PS-65A
SYSTEM OK
I1 PLC
CNC EMERG.
O1 PLC
OFF
-KM1
ON
KM1
-KA2
SYSTEM
SPEED
ENABLE
-KA1
EMERGENCY LINE
GND
ON OFF
to SPEED ENABLES
ON
Green
OFF
Red
DELAY OFF
-KA3
DRIVE
ENABLES
t seconds
(See GP9)
Note.
CNC EMERG. will always be assigned to I1/O1 of the PLC with an 8055/55i CNC. With an 8070 CNC, it
may be assigned to any I/O of the PLC. The contacts associated with relays - KA2, - KA3, - KA4, - KA5, - KA6
and - KA7 are shown in fig.
F. H10/10
and the contactor - KM1 in fig.
F. H10/11
.
Important.
The relay - KA3 uses delayed deactivation (t seconds) maintaining the DRIVE ENABLE control signal
active for a few seconds to maintain motor torque while the vertical axis holding brake is enabled. See parameter
GP9 in the «man_dds_soft.pdf» manual.

Table of Contents

Related product manuals