EasyManua.ls Logo

Fagor DDS XPS-65 - Page 355

Fagor DDS XPS-65
406 pages
Print Icon
To Next Page IconTo Next Page
To Next Page IconTo Next Page
To Previous Page IconTo Previous Page
To Previous Page IconTo Previous Page
Loading...
Connection diagrams
10.
Ref.1912
· 355 ·
DDS
HARDWARE
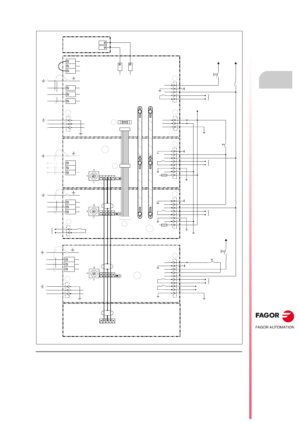
10.16 AXD/SCD diagrams of a mixed system, CAN connection
F. H10/2 9
AXD/SCD mixed system, CAN connection.
9
8
SYSTEM
OK
7
6
5
8
3
1
System Speed Enable
Error Reset
3
2
1
X2
X4
XPS
REGENERATIVE
POWER SUPPLY
7
6
3
5
4
8
2
1
X
AXIS
DRIVE
X2
7
6
3
5
4
8
2
1
Z
AXIS
DRIVE
X2
Chassis
X
Z
Speed Enable
Drive Enable
+24 VDC
Speed Enable
Drive Enable
KA2
KA3
Gnd
Gnd
Gnd
DR.Z
OK
DR.X
OK
+24 VDC
ON
AXD
AXD
+24 V DC
Gnd
2.5 A
(F) Fuse
2.5 A
(F) Fuse
OUT2
X6
OUT2
3
2
1
X3
L1
L2
L1
L2
L1
L2
L3
L1
L2
L3
L-
L+
L-
L+
L-
L+
U
V
W
MOTOR
U
V
W
MOTOR
3x400/460 VAC
2x400/460 VAC
X1
X1
X1
POWER BUS
7
6
3
5
4
8
2
1
Speed Enable
Drive Enable
X2
Chassis
S
KA3
DR.S
OK
3
2
1
X1
L1
L2
L3
L1
L2
L1
L2
9
10
Gnd
L1
L2
L3
Error Reset
+24 Vdc
ON
3x400/460 VAC
2x400/460 VAC
CHOKE XPS-XX
10 mm² (XPS-25)
50 mm² (XPS-65)
CH1
Ri
Re
L+
CH2
CAN L
SHIELD
SELECT
NODE
SELECT
NODE
SELECT
NODE
INTERNAL BUS
SCD
COMPACT
DRIVE
MODULE
FAGOR CNC
2
CAN H
3
4
0
1
0
1
0
1
1
2
3

Table of Contents

Related product manuals