EasyManua.ls Logo

Faraday 15220A - Page 21

Default Icon
66 pages
Print Icon
To Next Page IconTo Next Page
To Next Page IconTo Next Page
To Previous Page IconTo Previous Page
To Previous Page IconTo Previous Page
Loading...
III- 6
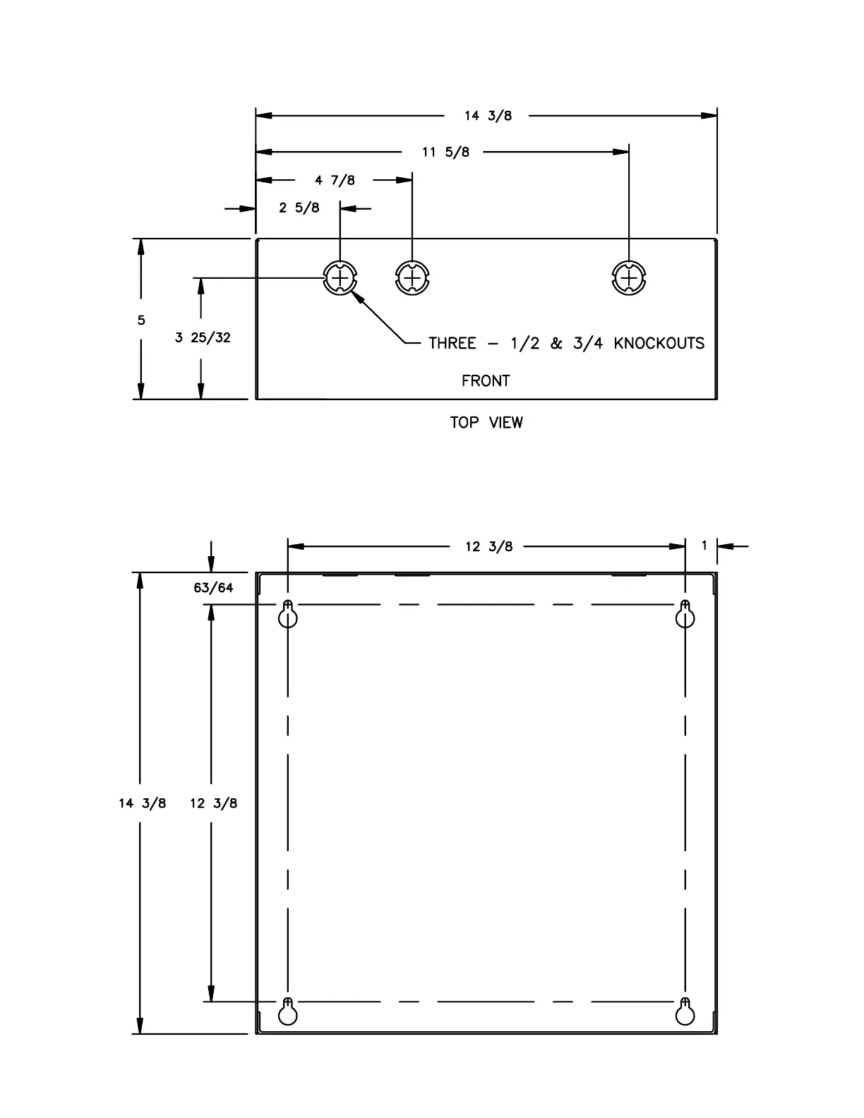
BACKBOX DIMENSIONS
firealarmresources.com

Related product manuals